EasyManua.ls Logo

Tinget STE-A - Page 5

Tinget STE-A
16 pages
Print Icon
To Next Page IconTo Next Page
To Next Page IconTo Next Page
To Previous Page IconTo Previous Page
To Previous Page IconTo Previous Page
Loading...
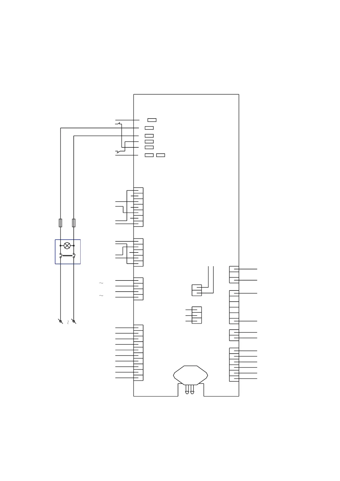
4
08-A
THERMAL
PROTECTOR
STEAM
HEATER
CHAMBER
HEATER
THERMAL
PROTECTOR
WATER
PUMP
VACUUM
PUMP
FAN
V1
PRESSURE SENSOR
PRINTER
OUTPUT
KEYBOARD
DATA LINE
DOOR
SWITCH
USED WATER TANK
MAX. LEVEL
TANK MAX. LEVEL
TANK MIN. LEVEL
PUBLIC
T1
220V
V5
V2
V4
V3
21V
11V
T12A
T12A
220V
T2
T3
(~110V)
(T20A for 110V)
(T20A for 110V)
AC220V
(AC110V)