EasyManua.ls Logo

TLR 8IGHT-T E 3.0 - Rear Clip Assembly

Default Icon
68 pages
Print Icon
To Next Page IconTo Next Page
To Next Page IconTo Next Page
To Previous Page IconTo Previous Page
To Previous Page IconTo Previous Page
Loading...
34
34
D-12
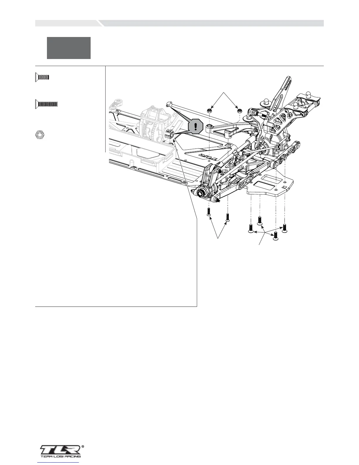
EN Rear Clip Assembly
DE Zusammenbau der Hinterachse
FR Installation du train arrière
IT Assemblaggio clip posteriore
LOSA6302
LOSA6262
LOSA6271
EN Ensure that the dogbone is inserted into the slot of
the center outdrive while installing the Rear Clip assembly.
DE Bitte stellen Sie sicher, dass die Achswelle in die
Zentralknochenaufnahme eingesetzt ist, wenn
Sie die Zentraldifferenzial-Baugruppe einbauen.
FR Contrôlez que l’extrémité du cardan est correctement
insérée dans la noix de sortie du différentiel central quand
vous installez le train arrière sur le châssis.
IT Accertarsi che il giunto cardanico sia inserito nella sede del
trascinatore centrale quando si installa il gruppo clip posteriore.
LOSA6262 x 4
8-32 x 1/2”
LOSA6271 x 2
5-40 x 1/2”
LOSA6302 x 2
L 5-40 x 1/4”

Related product manuals