EasyManua.ls Logo

Topline TEC4000 - Page 10

Default Icon
83 pages
Print Icon
To Next Page IconTo Next Page
To Next Page IconTo Next Page
To Previous Page IconTo Previous Page
To Previous Page IconTo Previous Page
Loading...
10
Drawing 10148 REV 0 24-11-15
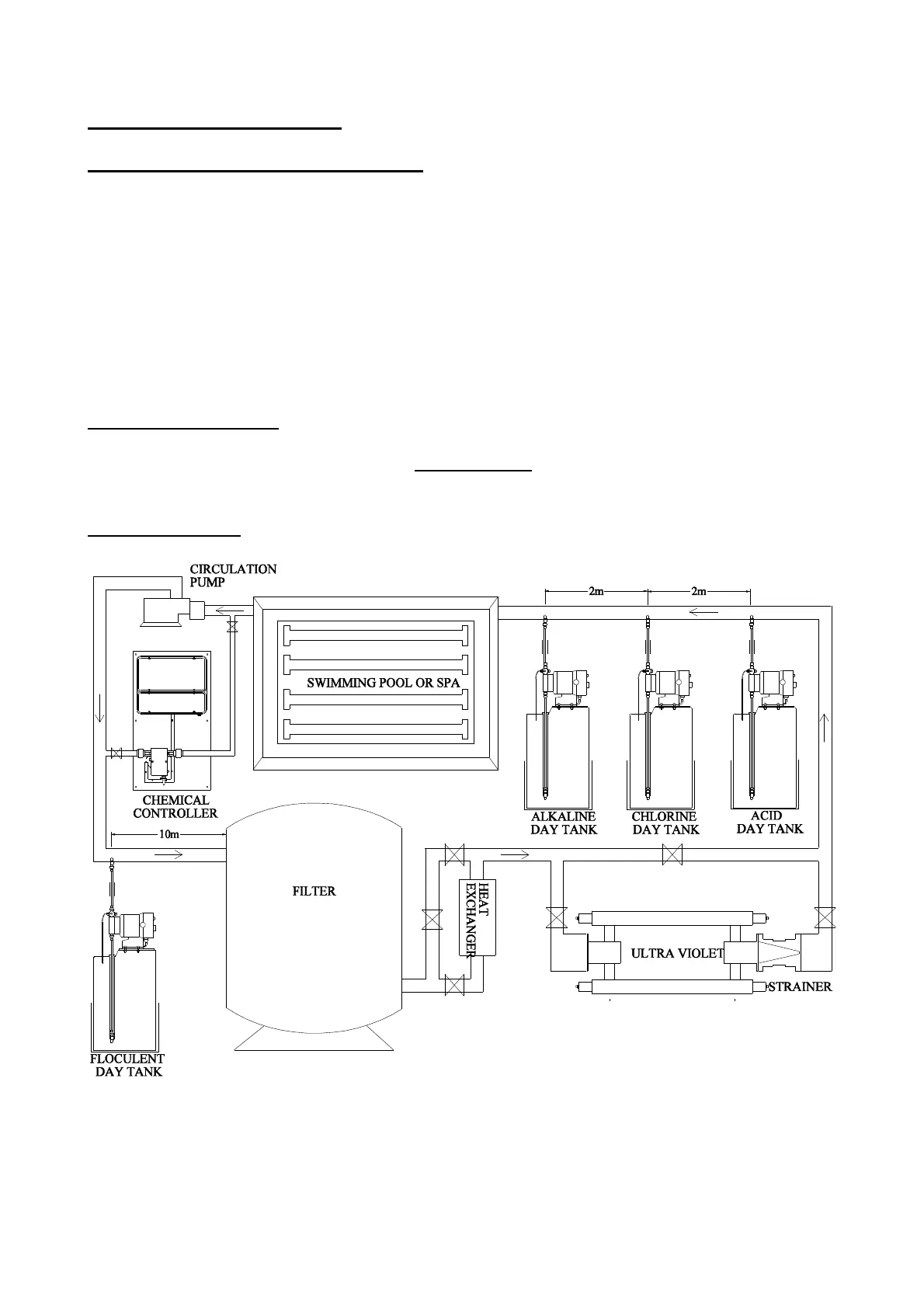
Installation Instructions (Cont.)
Water sample supply for the cell assembly
A water sample supply should be taken from the under side of the main circulation pre filter, via a
3/8 inch PVC isolating valve and a ‘Bowl’ strainer. The sample line should be 3/8 inch BSP rigid
PVC pipe. The pipe work from the cell assembly is 3/8 inch, and this joint is made with a 3/8 inch
PVC plain/threaded union to allow for servicing of the cell assembly if required. The sample return
can either be run to waste, to the balance tank or returned back into the suction side of the main
circulation, via a 3/8 inch PVC isolating valve. It is essential that there is a positive flow through
the probe assembly i.e. pressure on the sample input and vacuum or no pressure on the return.
A flow detection switch is fitted so if there is no circulation the chemical feeders will be shut down
and the alarm led will flash. It is precautionary that a second flow switch be installed prior to the
injection points in the main circulation system to also detect circulation system failure.
Inserting the Electrodes
Before inserting the electrodes ensure that you shake them to remove air from the tip of the
electrode. Only tighten the probes by hand, do not use tools. Do not insert the electrodes unless
you intend to leave water in the cell assembly. The electrodes must not be allowed to dry out.
System Installation