EasyManua.ls Logo

Toro 03200 - Page 40

Toro 03200
44 pages
Print Icon
To Next Page IconTo Next Page
To Next Page IconTo Next Page
To Previous Page IconTo Previous Page
To Previous Page IconTo Previous Page
Loading...
40
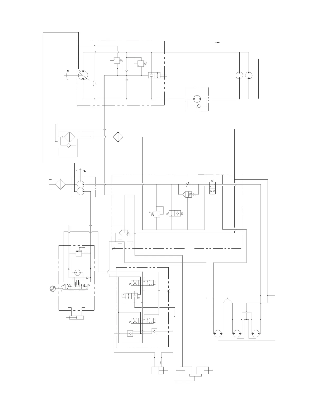
HYDRAULIC SCHEMATIC
D
M4
M5
DUMP
VALVE
P3
HYDROSTAT
OIL
FILTER
P1 P2
ENGINE
RPM
GEAR PUMP
L
R
V1
LOWER
PORT
UPPER
PORT
M6
INTERNAL CASE DRAIN
100–150 psi
STRAINER
OIL
COOLER
TOP PORT
FORWARD
TRACTION WHEEL MOTORS
3000 psi
FC1
REEL SPEED
CONTROLLER
LC1 LOGIC
VALVE
MD1
BACKLAPPING
VALVE
REEL
ON–OFF
VALVE
REEL
RELIEF
3000 psi
S1
R1
G1
T2
D1
M1
M2
MANIFOLD
BLOCK
T1
P1 LV
LC2
CHG
CF
CR
ST
LEFT
RIGHT
REAR
F
R
SIDEWINDER
A
B
C
OUTIN
STEERING
POWER
STEERING
VALVE
IN
OUT
AUX
1000 psi
G2
PLG

Related product manuals