EasyManua.ls Logo

Toshiba GR200 Series - 2.10.7 Scheme logic; (i) ZS logic

Toshiba GR200 Series
1770 pages
To Next Page IconTo Next Page
To Next Page IconTo Next Page
To Previous Page IconTo Previous Page
To Previous Page IconTo Previous Page
Loading...
6F2S1914 (0.49)
GRL200 (Soft 033 & 037)
- 132 -
2.10.7 Scheme logic
(i) ZS logic
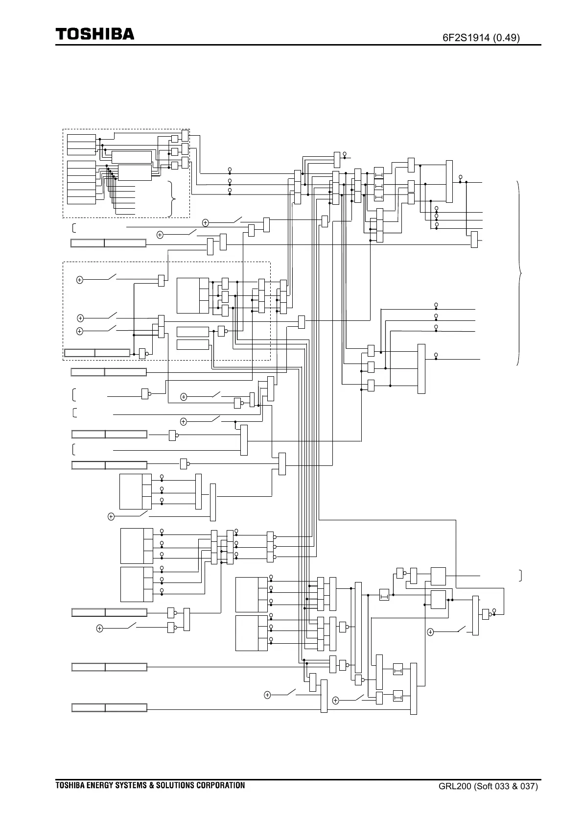
Figure 2.10-37 shows the ZS logic and corresponding SOTF logics.
&
&
&
Zab Z1S
Zbc Z1S
Zca Z1S
Z1S-AB
Z1S-BC
Z1S-CA
1
Distance common function
&
&
&
&
t
0
0.00-100.00s
TZ1S
t
0
t
0
≥1
&
&
≥1
Z1S-OPT
&
&
&
SOTF-Z1S-OPT-CA
≥1
DISCAR=PUP
≥1
&
Z1S_INST_OP
8000011BB1
8200011C22
8100011C21
8000011C20
Z1S-SOTF
On
SOTF-EN-COND
8200011B6C
8000011B2B
8100011B67
8200011B68
8000011B66
8000011B23
From SOTF-OC
OCCR
A
B
C
VTF-DETECT
From VTF
&
&
&
&
&
&
&
≥1
&
&
&
1
From DISCAR
1
&
OCF1S
AB
BC
CA
≥1
Z1S-OCFS
Off
≥1
Z1CNT-TPBlk
On
On
Z1CNT-ARCBlk
On
Z1CNT-INSTOP
&
&
&
Z1CNT_MPROT
800000EBB0
1
Z1S-ARCBlk
On
1
Z1S_ARCBLOCK
8000001BBB2
&
Z1S-ARC-BLOCK
Z1S element
≥1
≥1
SOTF-Z1S-TRIP
To Grouping logic
LES-R
AB
BC
CA
LES-L
AB
BC
CA
1
1
1
1
LES BLOCK
800008EBB2
&
&
&
1
1
1
EFL
1
PSBS
OUT
AB
BC
CA
PSBS
IN
AB
BC
CA
&
&
&
1
&
&
&
1
1
1
1
PSBS BLOCK
800008EBB0
1
&
&
PSBSFR
ON
TPSBSFR
t
0
1
TPSBS
t
0
0.020-0.100s
0.00-10.00s
PSBS F.RESET
810008EBB1
t
0
0.05s
S
R
1
&
S
R
PSBS-VCTF-BLK
1
≥1
To CTF,VTF
SOTF-Z1S-OPT-BC
8100011B6B
SOTF-Z1S-OPT-AB
8000011B6A
Z1STP_BLOCK
800001EBB0
8200081B6D
8100081B6C
8000081B6B
8200081B6A
8100081B69
8000081B68
8200081B70
8100081B6F
8000081B6F
Z1S-LEBlk
Block
1
Z1_M.PHASE_FAULT
From ZG
Z1S-MDDET
OFF
1
&
Z1S-EN
On
&
&
&
Z1S-OPT-AB
Z1S-OPT-BC
Z1S-OPT-CA
SOTF-Z1S BLOCK
800001EBB0
1
&
≥1
8300011B63
8200011C26
8100011C25
8000011C24
1
8200081B64
8100081B63
8000081B62
8600081B67
8500081B66
8400081B65
&
OCN-PS
1
PSBSRS
ON
Z1S-PSBBlk
Block
&
8000081B61
Checking
particular reach
ZminF-AB
ZminF-BC
ZminF-CA
ZminR-AB
ZminR-BC
ZminR-CA
Z-min
PERM Check
≥1
&
≥1
&
≥1
&
ZminF-PERM-AB
ZminF-PERM-BC
ZminF-PERM-CA
ZminR-PERM-AB
ZminR-PERM-BC
ZminR-PERM-CA
To Z1XS,Z5S
1
Figure 2.10-37 Z1S/SOTF-Z1S scheme logics generating trip signals

Table of Contents

Related product manuals