EasyManua.ls Logo

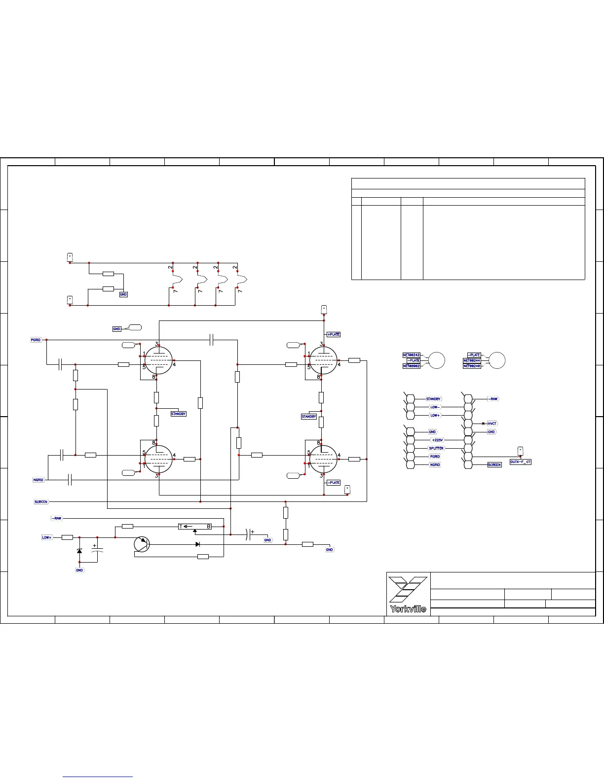
Traynor YCS90 - YCS90 Output Power Amplifier Schematic

Traynor YCS90
18 pages
Print Icon
To Next Page IconTo Next Page
To Next Page IconTo Next Page
To Previous Page IconTo Previous Page
To Previous Page IconTo Previous Page
Loading...
9 9
8 8
7 7
6 6
5 5
4 4
3 3
2 2
1 1
A
A
B
B
C
C
D
D
E
E
F
F
G
G
H
H
I
I
J
J
K
K
of
Filename:
PCB# Sheet 11
Product
Date: Rev: YsType:.
M1296V102sch.sch2002
M1296
1.02
Power Amp
YCS90 Output
Mon Jun 09, 2008
of
Filename:
PCB# Sheet 11
Product
Date: Rev: YsType:.
M1296V102sch.sch2002
M1296
1.02
Power Amp
YCS90 Output
Mon Jun 09, 2008
C77
160V10U
R49
1/4W
.
43K
R137
1/4W
.
820R
R135
1/4W
.
820R
R140
1/8W
FLMP
100R0
R139
2.0W
.
1K8
PENTODE
EL34
V3:A
Val
-
2.0W
1K8
R154
.
R131
2.0W
2R
.
R138
1/4W
.
820R
R144
1/4W
249K
.
R143
1/4W
249K
.
1/4W
220K
R257
.
1/4W
220K
R258
.
TP4
R133
2.0W
2R
.
R136
1/4W
.
820R
TP2
R142
2.0W
.
1K8
R149
2.0W
.
1K8
C76
16V
100U
R141
1/8W
FLMP
100R0
4148
D31
R132
2.0W
2R
.
PENTODE
V2:A
EL34
Val
-
V1:B
PENTODE
{Voltage}
V3:B
PENTODE
{Voltage}
V4:B
PENTODE
{Voltage}
1/4W
.
10K
R259
R134
2.0W
2R
.
V2:D V3:D
3682
W11GRN
FIL
3682
W14
OutCT
GRN
R260
1/4W
.
18K
R50
1/4W
.
820R
M
4520
P2810K
Lin
Bias
C66
250V10N
TP3
R146
1/4W
249K
.
C64
250V10N
R145
1/4W
249K
.
C65
250V10N
TP1
TP5
3682
W10
FIL
GRN
3682
W13BRN
-PLATE
9
W29:I 9
8
W29:H 9
5
W29:E 9
7
W29:G9
6
W29:F9
5
W30:E 8
4
W30:D 8
7
W30:G 8
6
W30:F 8
8
W30:H 8
PENTODE
EL34
V4:A
Val
-
1
W29:A 9
To_PowerSupply
2
W29:B9
1
W30:A 8
To_PreAmp
2
W30:B 8
3682
W12BLU
+PLATE
1N5237B
D36
0W5
8V2
C67
250V10N
TO92
2N5401
Q24
5108
V2:B
PENTODE
{Voltage}
3
W29:C9
4
W29:D 9
3
W30:C 8
PENTODE
V1:A
EL34
Val
-
13
10
7
4
1
9
11
12
8
#
2
3
5
6
VER#
MODEL(S):-
DATE DESCRIPTION OF CHANGE
V
V
V
V
1.00
V
V
V
V
V
V
1.02
1.01
D
D
D
D
2007/06/06
N
N
N
N
FIRST DESIGN
D
D
D
D
D
D
09-JUN-2008
12-FEB-2008
N
N
N
N
N
N
PC7393: CHANGE R49 FROM 39K TO 43K #4878
REVISION PER PC7456
M1296
YCS90

Related product manuals