EasyManua.ls Logo

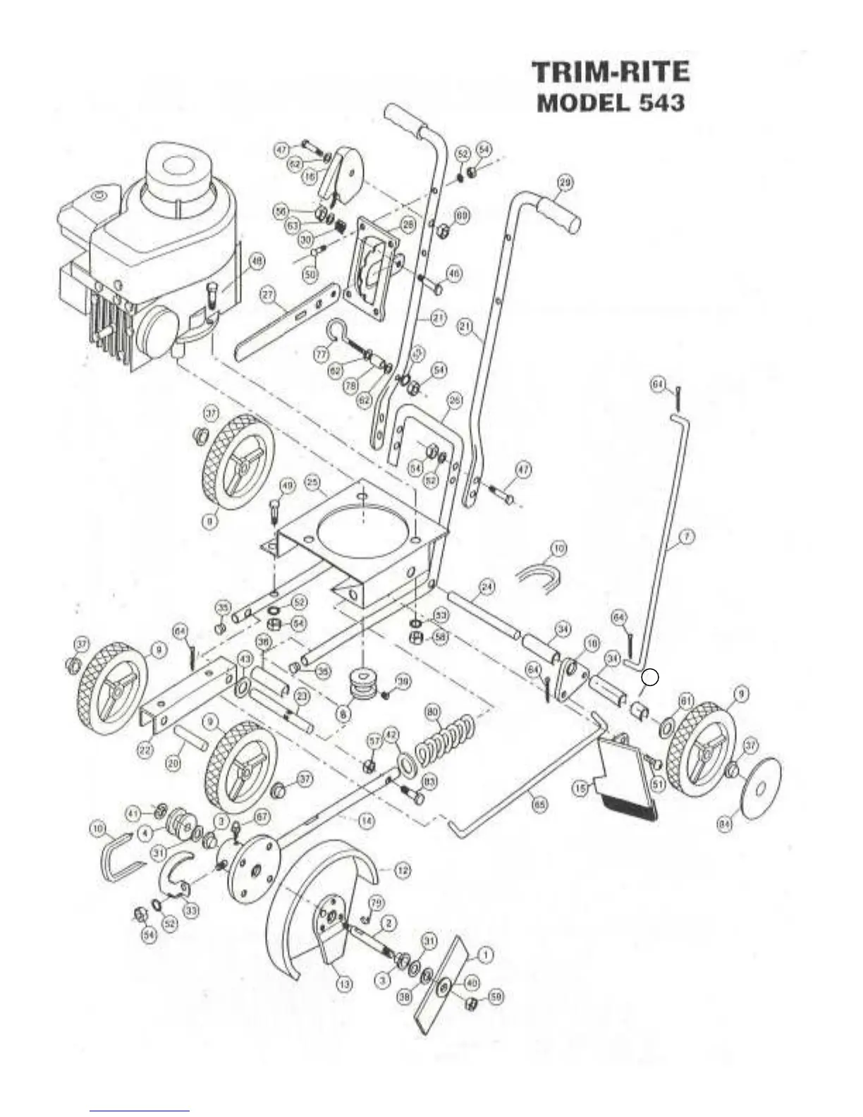
Trim-Rite TR543 - Trim-Rite Model 543 Parts Diagram

Default Icon
2 pages
Print Icon
To Previous Page IconTo Previous Page
To Previous Page IconTo Previous Page
Loading...
85