EasyManua.ls Logo

Triumph Rocket 3 GT 2021 - Page 1090

Triumph Rocket 3 GT 2021
1556 pages
Print Icon
To Next Page IconTo Next Page
To Next Page IconTo Next Page
To Previous Page IconTo Previous Page
To Previous Page IconTo Previous Page
Loading...
1052
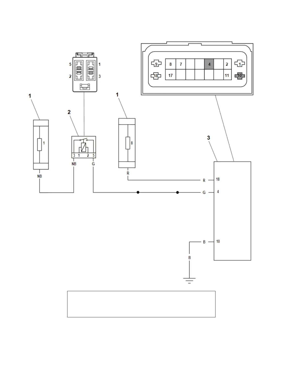
Circuit diagram
1. Fuse box
2. Ignition relay
3. ABS control module

Related product manuals