EasyManua.ls Logo

Triumph Rocket 3 GT 2021 - Page 1346

Triumph Rocket 3 GT 2021
1556 pages
Print Icon
To Next Page IconTo Next Page
To Next Page IconTo Next Page
To Previous Page IconTo Previous Page
To Previous Page IconTo Previous Page
Loading...
1308
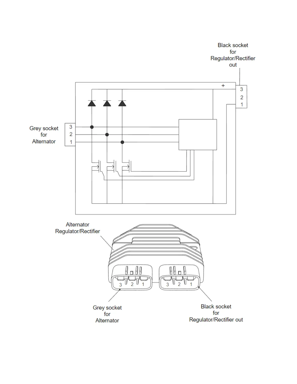
Circuit Diagram

Related product manuals