EasyManua.ls Logo

Triumph Rocket 3 GT 2021 - Page 1378

Triumph Rocket 3 GT 2021
1556 pages
Print Icon
To Next Page IconTo Next Page
To Next Page IconTo Next Page
To Previous Page IconTo Previous Page
To Previous Page IconTo Previous Page
Loading...
1340
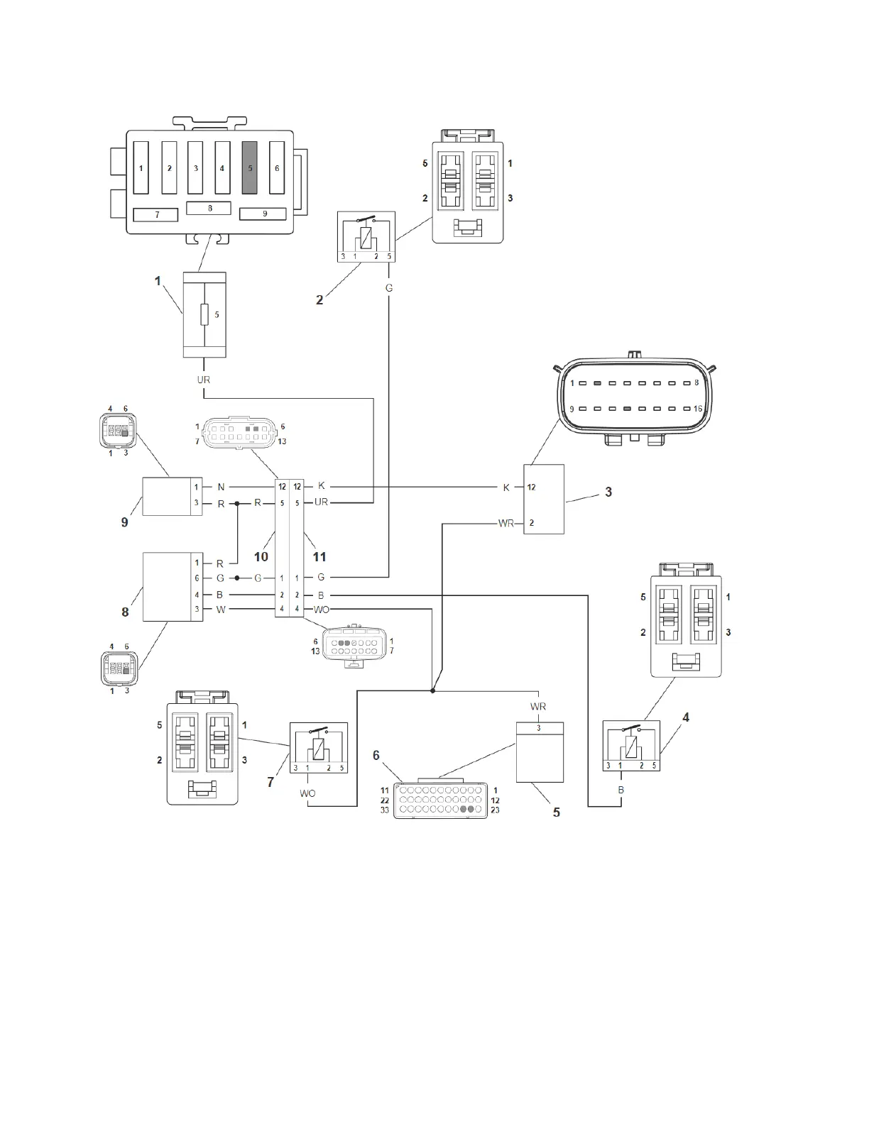
Circuit diagram
1. Fuse Box
2. Ignition Relay
3. Keyless ECM
4. Fuel Pump Relay
5. Engine Electronic Control Module
6. Engine Electronic Control Module
- Connector C
7. Starter Motor Relay
8. Right Hand Switch Housing Black
Connector
9. Right Hand Switch Housing Grey
Connector
10. Switch Housing Subharness (main
harness side)
11. Switch Housing Subharness
(subharness side)

Related product manuals