EasyManua.ls Logo

Trumeter Durant E4148793 - Page 11

Trumeter Durant E4148793
40 pages
Print Icon
To Next Page IconTo Next Page
To Next Page IconTo Next Page
To Previous Page IconTo Previous Page
To Previous Page IconTo Previous Page
Loading...
Relais (siehe S. 38)
Das Relais hat einen einpoligen Umschalter mit zwei Stellungen und einen gemeinsamem
Anschluss, einen Arbeitskontakt und einen Ruhekontakt. Die Relaiszustandsanzeige an der
Frontplatte zeigt den Zustand des Arbeitskontaktes an.
Das Relais kann durch Programmierung im gepulsten oder arretierten Modus betrieben werden.
Im gepulsten Modus wird die Ansprechdauer des Relais durch das Programm vorgegeben. Im
arretierten Modus (nur automatisches Rücksetzen) bleibt das Relais bis zur RST/Ext. Reset im
Ansprechzustand.
Das Relais kann so programmiert werden, dass es bei einem Stromausfall oder beim Eintritt in
den Programmmodus in einen bekannten, sicheren Zustand zurückkehrt. Dabei gibt es die
folgenden Möglichkeiten:
Aktuell - Die Kontakte bleiben im selben Zustand wie vor dem Vorfall.
Zurückgesetzt - Die Kontakte kehren in den normalen, nicht angesprochenen Zustand zurück.
11
Hinweis: Gemeinsamer Anschluss, Klemmen 13 und 3
Diese Anschlüsse müssen immer ordnungsgemäss angeschlossen sein, damit die
entsprechenden Eingänge funktionieren.
Bei Gleichstromsignalen mit +V oder -V, wie in den Beispielen oben und auf S. 37 dargestellt.
Bei Wechselstromsignalen (nur 5/4/3) wie in Beispielen 3 und 4 auf S. 37 dargestellt.
15
11
14
5
4
3
4
5
14
K
R
R
CT
CT
K
CH
CH
15
13
13
3
–V
–V–V
–V
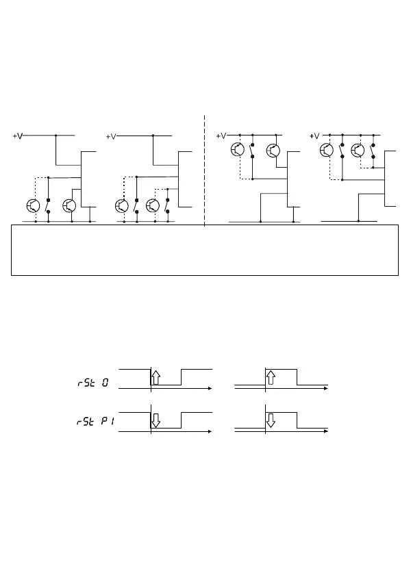
Sinkeingänge (NPN)
Sourceeingänge (PNP)
Eingangspolarität (siehe S. 37 und 38)
Bei den Eingängen CH und K (Pin 15 und 14) kann es sich entsprechend der
Verdrahtungsart um Sink- oder Source-Gleichstromeingänge in Bezug zur gemeinsamen
Anschluss (Pin 13) handeln (siehe Beispiele unten sowie auf S. 37 und 38). Stift 1 muss
immer, wie beschrieben, angeschlossen werden.
Bei den optisch isolierten Eingängen CT und R (Pin 5 und 4) kann es sich entsprechend
der Verdrahtungsart um Sink- oder Source-Gleichstrom- oder -Wechselstromeingänge in
Bezug zur gemeinsamen Anschluss (Pin 3) handeln (siehe Beispiele unten sowie auf S.
37 und 38).
Nur CT und R sind von der Versorgungsspannung isoliert.
t
tt
t
Sink (NPN)
Zähler
modus
Source (PNP)
Zähl- und Zeitzählrichtung
In allen Modi hängen Zähl- und Zeitzählrichtung vom Rücksetzmodus ab (siehe
„Programmierung").
Im Zählermodus kann wahlweise Eingang CH oder Eingang CT verwendet werden; im
Zeitzählermodus kann nur Eingang CT verwendet werden (siehe „Programmierung").
Die Zählrichtung und die den Zähler auslösenden Flanken sind durch Pfeile
gekennzeichnet::

Related product manuals