EasyManua.ls Logo

Trumeter Durant E4148793 - Page 17

Trumeter Durant E4148793
40 pages
Print Icon
To Next Page IconTo Next Page
To Next Page IconTo Next Page
To Previous Page IconTo Previous Page
To Previous Page IconTo Previous Page
Loading...
Relais (voir page 38)
C'est est un relais monopolaire bidirectionnel, muni d'un contact commun, d'un contact
normalement ouvert et d'un contact normalement fermé. Le symbole du relais sur l'afficheur fait
apparaître l'état du contact normalement ouvert.
Le relais peut être programmé en mode impulsions ou en mode maintenu.
En mode impulsions, le relais fonctionnera pendant la durée configurée lors de la
programmation. En mode maintenu, le relais restera activé et cet état perdurera jusqu'à ce qu'il
soit remis à zéro par RST / Ext. Reset.
Le relais peut être programmé pour récupérer un état réputé sûr en cas de panne de courant sur
sur l'une des options du programme
Current / Idem - les contacts conserveront le même état qu'avant l'évènement;
Reset / Remise à zéro - retour à l'état normal non activé des contacts;
17
15
11
14
5
4
3
4
5
14
K
R
R
CT
CT
K
CH
CH
15
13
13
3
–V
–V–V
–V
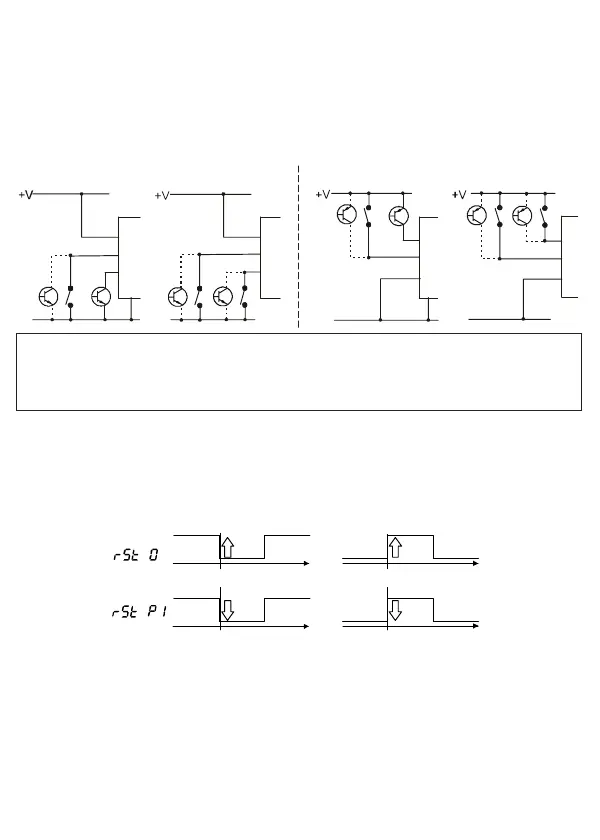
Entrées (NPN)
Entrées (PNP)
Polarité des entrées (voir page 37)
Les entrées CH et K (bornes 15 et 14) sont des entrées à courant continu CC de type PNP ou
NPN suivant leurs branchements, en fonction de leur « commun » ( borne 13) ainsi que le
montrent les exemples ci-dessous et les exemples des pages 37 et 38. La borne 1 doit toujours
être raccordée comme ci-dessous.
Les entrées opto-isolées CT et R (bornes 5 et 4) sont des entrées à courant continu CC ou à
courant alternatif CA suivant leurs branchements, en fonction de leur «commun» ( borne 3),
ainsi que le montrent les exemples ci-dessous et les exemples des pages 37 et 38.
Seules les entrées CT et R sont isolées des bornes d'alimentation.
t
tt
t
(NPN)
Compteur
(PNP)
Sens de comptage modes Compteur et Minuterie
Quel que soit le mode, les sens de comptage du compteur et de la minuterie sont
dépendants du mode de Remise à zéro (voir Programmation). Les entrées CH ou CT
peuvent être utilisées en mode Compteur, mais l'entrée CT est seulement utilisée en
mode Minuterie (voir Programmation). La sens de comptage et les fronts d'impulsion qui
déclenchent le comptage sont signalés par les flèches:
Remarque : entrées « commun » 13 et 3
Ces bornes doivent toujours être correctement raccordées pour le bon fonctionnement de leurs
entrées.
Pour les signaux CC, à +V ou -V, comme sur les exemples ci-dessus et de la page 37.
Pour les signaux CA , (5/4/3 uniquement) voir les exemples 3 et 4 de la page 37.

Related product manuals