EasyManua.ls Logo

Trumeter Durant E4148793 - Page 23

Trumeter Durant E4148793
40 pages
Print Icon
To Next Page IconTo Next Page
To Next Page IconTo Next Page
To Previous Page IconTo Previous Page
To Previous Page IconTo Previous Page
Loading...
Relé (ver página 38)
Este es un relé monopolar de doble conmutación, con un contacto común, un contacto
normalmente abierto, y un contacto normalmente cerrado. El indicador del Estado del Relé en el
panel frontal muestra el estado del contacto normalmente abierto.
El relé puede programarse operando en modo pulsado o bloqueado. En el modo pulsado, el relé
operará por el período de tiempo establecido por el programa. En el modo bloqueado (Sólo
Reset Automático Desactivado), el relé operará y permanecerá en esa condición, hasta , hasta
el Reset RST/Ext.
El relé puede programarse para volver a un estado de seguridad conocido en caso de una falla
en la alimentación o en la entrada del modo de programa. Las alternativas son:
Corriente - los contactos permanecerán en el mismo estado anterior al evento;
Reset - los contactos volverán a su estado normal, no operantes;
Dirección del Contaje y del Cronometraje
En todos los modos, la dirección del contaje y del cronometraje dependen del modo de
Reset (ver Programación). Tanto la entrada CH como la entrada CT se pueden usar en el
modo Contaje, pero sólo la entrada CT puede usarse en el modo Temporizador (ver
Programación).
La dirección del contaje y los límites que provocan el contaje se muestran mediante las
flechas debajo indicadas:
t
tt
t
23
Nota: Clavijas Comunes 13 y 3
Estas clavijas generalmente deben ser conectadas correctamente para sus entradas de trabajo.
Para señales de C.C., a +V o -V, como se muestra en los ejemplos anteriores y en la página 37.
Para señales de C.A. (sólo 5/4/3), como se muestra en los ejemplos 3 y 4 en la página 37.
15
11
14
5
4
3
4
5
14
K
R
R
CT
CT
K
CH
CH
15
13
13
3
–V
–V–V
–V
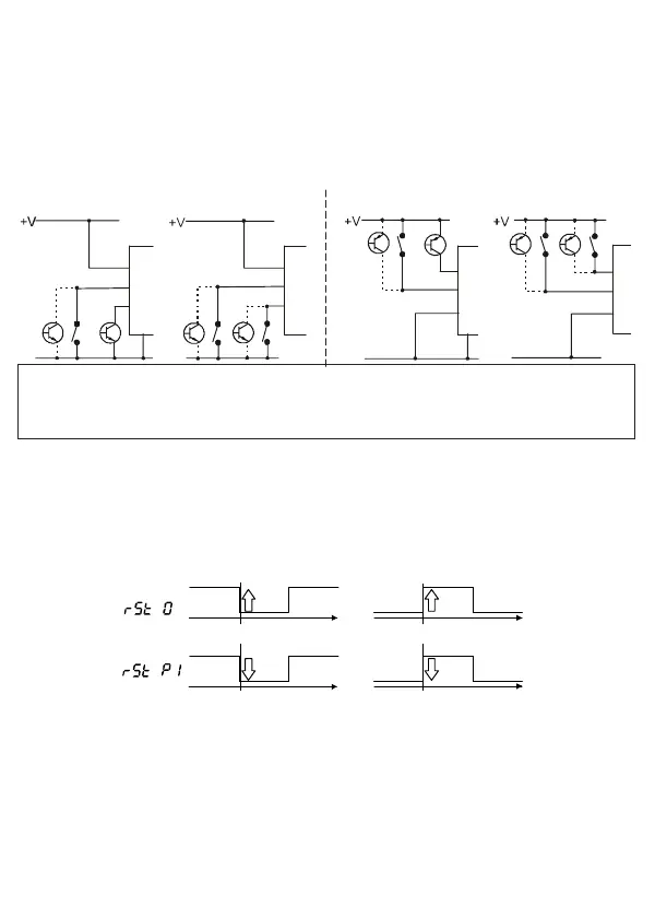
Entrada tipo Sink (NPN)
Entrada tipo Source (PNP)
Polaridad de Entrada (ver páginas 37 y 38)
Las entradas CH y K (clavijas 15 y 14) pueden ser entradas C.C. tipo sink o source,
dependiendo de la manera en que están cableadas con respecto a la entrada Común (clavija
13), como se muestra en los ejemplos debajo indicados y en las páginas 37 y 38. La clavija 1
deben ser conectadas como se muestra en los ejemplos abajo.
Las entradas opto-aisladas CT y R (clavijas 5 y 4) pueden ser entradas C.A. o C.C. tipo
sink o source, dependiendo de la manera que están cableadas, con respecto a la entrada
Común (clavija 3), como se muestra en los ejemplos debajo indicados y en las páginas
37 y 38.
Sólo CT y R están completamente aislados también por las clavijas de alimentación.
tipo Sink (NPN)
modo
Contaje
tipo Source (PNP)

Related product manuals