EasyManua.ls Logo

Trumeter Durant E4148793 - Page 29

Trumeter Durant E4148793
40 pages
Print Icon
To Next Page IconTo Next Page
To Next Page IconTo Next Page
To Previous Page IconTo Previous Page
To Previous Page IconTo Previous Page
Loading...
Relè (vedi pagina 38)
Si tratta di un relè unipolare a doppio inserimento con un contatto comune, un contatto
normalmente aperto ed un contatto normalmente chiuso. L'indicatore di Stato del Relè posto sul
pannello frontale mostra lo stato del contatto normalmente aperto.
Il relè può essere programmato per il funzionamento in modalità impulsiva o bloccata. Nella
modalità impulsiva, il relè funzionerà per un periodo di tempo impostato dal programma. Nella
modalità bloccata (solo Auto Reset disattivato), il relè si attiverà e resterà in tale condizione fino
ad un RST/Reset Esterno.
Il relè può essere programmato per tornare in uno stato di sicurezza noto nell'eventualità di una
caduta di alimentazione o con l'attivazione del modo programmazione. Sono previste le seguenti
alternative:
Corrente - i contatti restano nello stesso stato antecedente all'evento;
Reset - i contatti tornano nel loro normale stato non attivato;
29
Nota: Pin Comuni 13 e 3
Questi pin devono sempre essere correttamente collegati affinché i rispettivi ingressi
possano funzionare correttamente.
Per i segnali dc a +V o -V, come illustrato negli esempi precedenti e a pagina 37.
Per i segnali ac (solo 5/4/3) come mostrato nell'esempi 3 e 4 a pagina 37.
15
11
14
5
4
3
4
5
14
K
R
R
CT
CT
K
CH
CH
15
13
13
3
–V
–V–V
–V
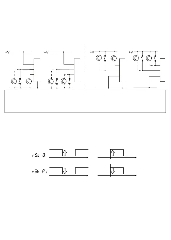
Ingressi Sink (NPN)
Ingressi Source (PNP
Polarità d'Ingresso (vedi pagina 37 e 38)
Gli ingressi CH e K (pin 15 e 14) possono essere ingressi dc sink o source, a seconda
del tipo di cablaggio rispetto all'ingresso Comune (pin 13), come illustrato negli esempi
seguenti e alle pagine 37 e 38. Il Pin 1 deve essere collegato come illustrato negli esempi
sotto.
Gli ingressi optoisolati CT e R (pin 5 e 4) possono essere ingressi ac o dc sink o source,
a seconda del tipo di cablaggio rispetto all'ingresso Comune (pin 3), come illustrato negli
esempi seguenti e alle pagine 37 e 38.
Solo CT e R sono completamente isolate dai pin di alimentazione.
t
tt
t
Sink (NPN)
Modalità
Conteggio
Source (PNP)
Direzione di Conteggio e di Temporizzazione
In tutte le modalità, la direzione di conteggio e di temporizzazione dipende dalla modalità
Reset (vedi Programmazione).
L'Ingresso CH o l'Ingresso CT possono essere utilizzati in modalità Contatore, ma solo
l'Ingresso CT può essere utilizzato in modalità Timer (vedi Programmazione).
La direzione di conteggio e i fianchi che innescano il conteggio sono illustrati dalle frecce:

Related product manuals