EasyManua.ls Logo

Trumeter Durant E4148793 - Page 5

Trumeter Durant E4148793
40 pages
Print Icon
To Next Page IconTo Next Page
To Next Page IconTo Next Page
To Previous Page IconTo Previous Page
To Previous Page IconTo Previous Page
Loading...
Relay (see page 38)
This is a single pole double throw relay, with a common contact, a normally open contact,
and a normally closed contact. The Relay State indicator on the front panel shows the
state of the normally open contact.
The relay can be programmed to operate in pulsed or latched mode. In pulsed mode the
relay will operate for a length of time set by the program. In latched mode (Auto Reset Off
only) the relay will operate, and stay in that condition until RST/Ext. Reset.
The relay can be programmed to revert to a known safe state in the event of a power
failure or on entering program mode. The two alternatives are:
Current - the contacts will remain in the same state as before the event;
Reset - the contacts will revert to their normal, unoperated state;
5
Note: Common Pins 13 and 3
These pins must always be correctly connected for their inputs to work.
For dc signals, to +V or -V, as shown in the examples above and on page 37.
For ac signals (5/4/3 only), as shown in examples 3 and 4 on page 37.
15
11
14
5
4
3
4
5
14
K
R
R
CT
CT
K
CH
CH
15
13
13
3
–V
–V–V
–V
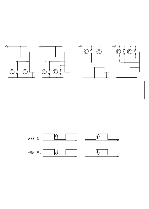
Sink (NPN) Inputs
Source (PNP) Inputs
Input Polarity (see pages 37 and 38)
Inputs CH and K (pins 15 and 14) can be sink or source dc inputs, depending on the way
they are wired, with respect to their Common input (pin 13), as shown in the examples
below, and on pages 37 and 38. Pin 1 must always be connected as shown.
The opto-isolated inputs CT and R (pins 5 and 4) can be sink or source ac or dc inputs,
depending on the way they are wired, with respect to their Common input (pin 3), as
shown in the examples below and on pages 37 and 38.
Only CT and R are isolated from the supply pins.
t
tt
t
Sink (NPN)
Count
mode
Source (PNP)
Count and Timing Direction
In all modes, count and timing direction is dependent on Reset mode (see Programming).
Either Input CH or Input CT can be used in Counter mode, but only Input CT can be used
in Timer mode (see Programming).
The count direction and the edges that trigger the count are shown by the arrows:

Related product manuals