EasyManua.ls Logo

Ugolini HT10/1

Ugolini HT10/1
40 pages
Go to English
To Next Page IconTo Next Page
To Next Page IconTo Next Page
To Previous Page IconTo Previous Page
To Previous Page IconTo Previous Page
Loading...
36
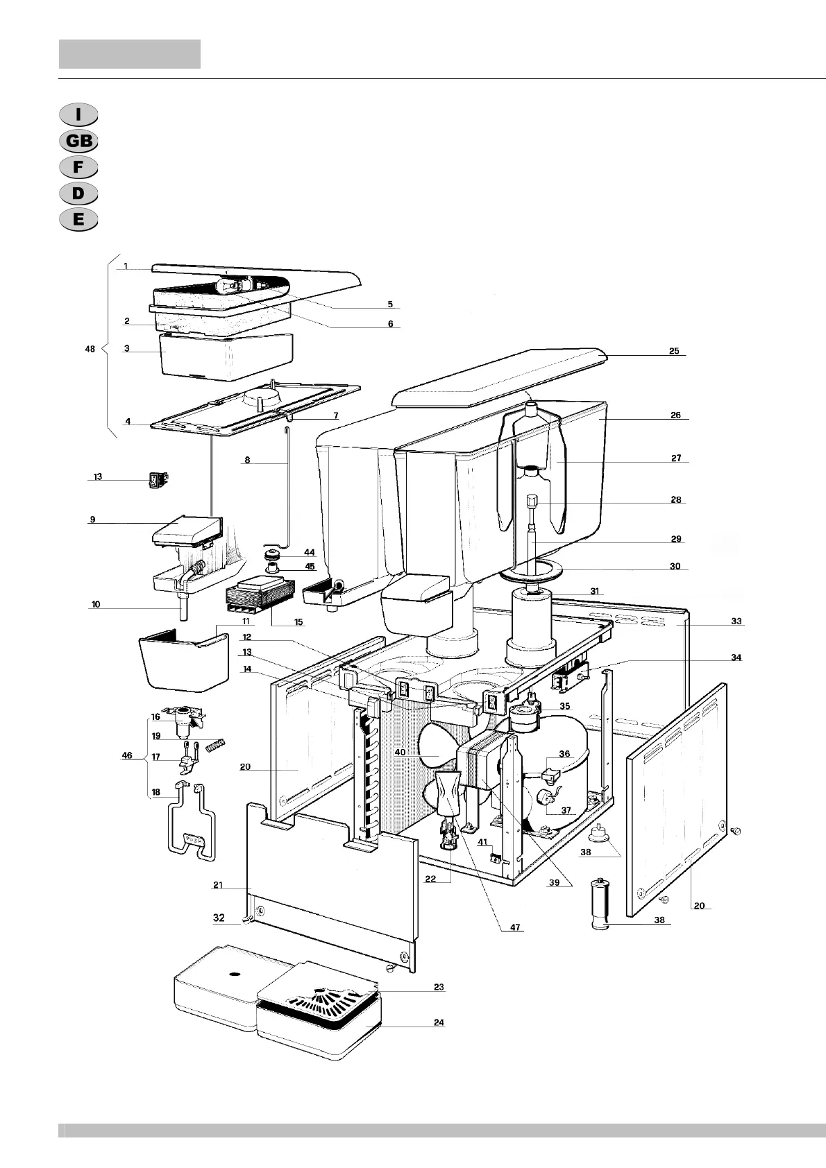
HT 10 A/AL
ELENCO RICAMBI
SPARE PARTS LIST
LISTE DES PIECES DE RECHANGE
ERSATZTEILLISTE
DESCRIPCION PIEZAS DE REPUESTO