EasyManua.ls Logo

Uniwill 340S2 - Page 81

Default Icon
88 pages
Print Icon
To Next Page IconTo Next Page
To Next Page IconTo Next Page
To Previous Page IconTo Previous Page
To Previous Page IconTo Previous Page
Loading...
Index
340S2 Rev : B
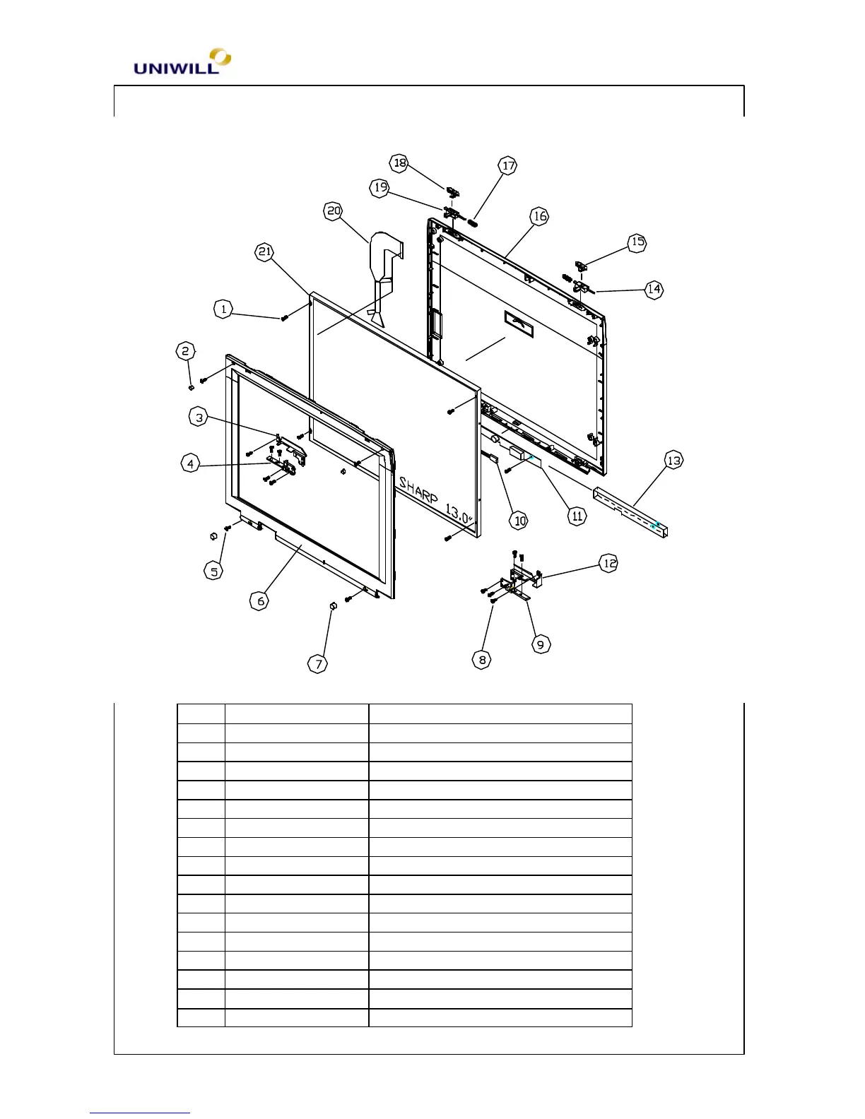
NO. PART NUMBER DESCRIPTION
1 41-720525-06 SCREW M2.5*6
2 52-012919-00 RUBBER FOR DISPLAY (T) 340
3 40-302905-00 BRACKET (L) FOR LCD
4 40-152907-00 HINGE (L) A-TYPE 340
5 41-720525-06 SCREW M2.5*6
6 50-332921-00 FRONT CAB 14.1
7 52-012911-00 RUBBER FOR DISPLAY (B)
8 41-720120-04 SCREW M2.0*4
9 40-152909-00 HINGE ( R) A-TYPE 340
10 29-102901-00 CABLE FOR LCD INVERTER 14.1
11 76-030533-00 INVERTER FOR 14.1”
12 40-302906-00 BRACKET ( R) FOR LCD
NO. PART NUMBER DESCRIPTION
13 50-212900-00 MYLAR FOR INVERTER 340
14 50-242910-00 HOOK LCD (R ) 340
15 50-412906-00 KNOB LCD (340)