EasyManua.ls Logo

UWE JetStream Bambo - Page 26

UWE JetStream Bambo
28 pages
Print Icon
To Next Page IconTo Next Page
To Next Page IconTo Next Page
To Previous Page IconTo Previous Page
To Previous Page IconTo Previous Page
Loading...
26
23
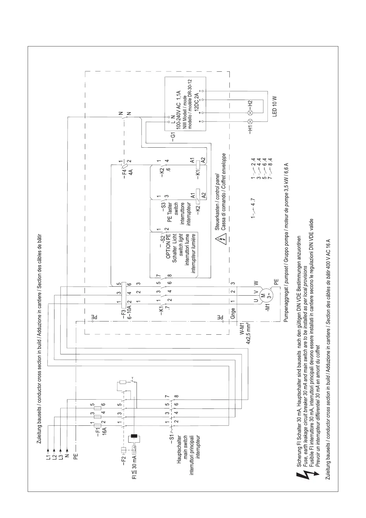
Schaltplan für JetStream BAMBO
(beleuchtete Ausführung)
mit Pneumatikschalter
3 N ~ PE 400 V
Wiring diagramm for JetStream
BAMBO
(versions with illumination) with
pneumatic switch 3 N ~ PE 400 V
Plan électrique pour JetStream
BAMBO (avec lumière)
avec commande pneumatique
3 N ~ PE 400 V
Piano elettrico per JetStream
BAMBO (esecuzione illuminata)
con interruttore pneumatico
3 N ~ PE 400 V