EasyManua.ls Logo

VEAB VFLPG Series - Page 26

Default Icon
30 pages
Print Icon
To Next Page IconTo Next Page
To Next Page IconTo Next Page
To Previous Page IconTo Previous Page
To Previous Page IconTo Previous Page
Loading...
26
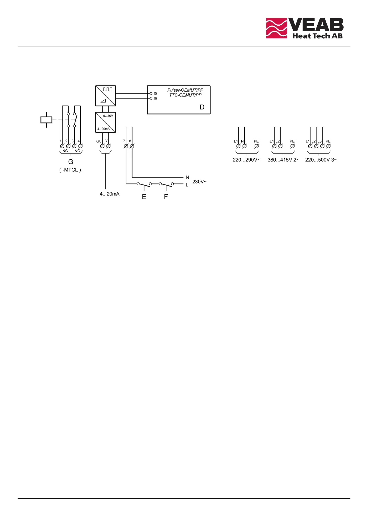
VFLPG/VFL/VTL/VRA
MTC / MTCL
Zasilanie (patrz na tabliczkę znamionową)
Supply voltage (see the rating plate)
Zasilanie sterujące
Control voltage
Sygnał sterujący
Excitation signal
D = Re g ula c ja temperatury ( tyrystorowa )
Temperature regulator ( thyristor control )
E = ”Blokada” tzw, Interlocking
F = Łącznik pomocniczy
Control switch
G = Styki przekaźnika alarmowego wskazujące włączenie zbezpieczenia
przed przegrzaniem
Alarm relay contacts to indicate activated over heat protection
NO = Styk normalnie otwarty ( zwiera się przy przegrzaniu )
Normally Open contact ( closes at over heating )
NC = Styk normalnie zwarty ( otwiera się przy przegrzaniu )
Normally Closed contact ( opens at over heating )

Related product manuals