EasyManua.ls Logo

Vechline 2035622 - Using the Flashlight; Charging the Unit

Default Icon
48 pages
Print Icon
To Next Page IconTo Next Page
To Next Page IconTo Next Page
To Previous Page IconTo Previous Page
To Previous Page IconTo Previous Page
Loading...




b.Charge from Solar panel
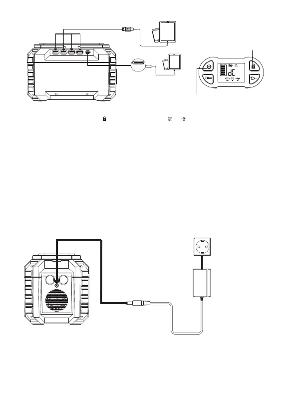
5) How to charge the unit?
a.Charge through AC Wall Charger








Front




/


Warning!Do not point directly at the eyes of human in case of any damage due to
the strong light.
Left

AC Socket
USB ON
USB
Type-c
USB ON
USB
Type-c
USB C
