EasyManua.ls Logo

Vector Alpha - Functional block diagram; Forward path

Vector Alpha
21 pages
Print Icon
To Next Page IconTo Next Page
To Next Page IconTo Next Page
To Previous Page IconTo Previous Page
To Previous Page IconTo Previous Page
Loading...
8QLYHUVDO$PSOLILHU$/3+$2SHUDWLRQ0DQXDO
-DQXDU\ S
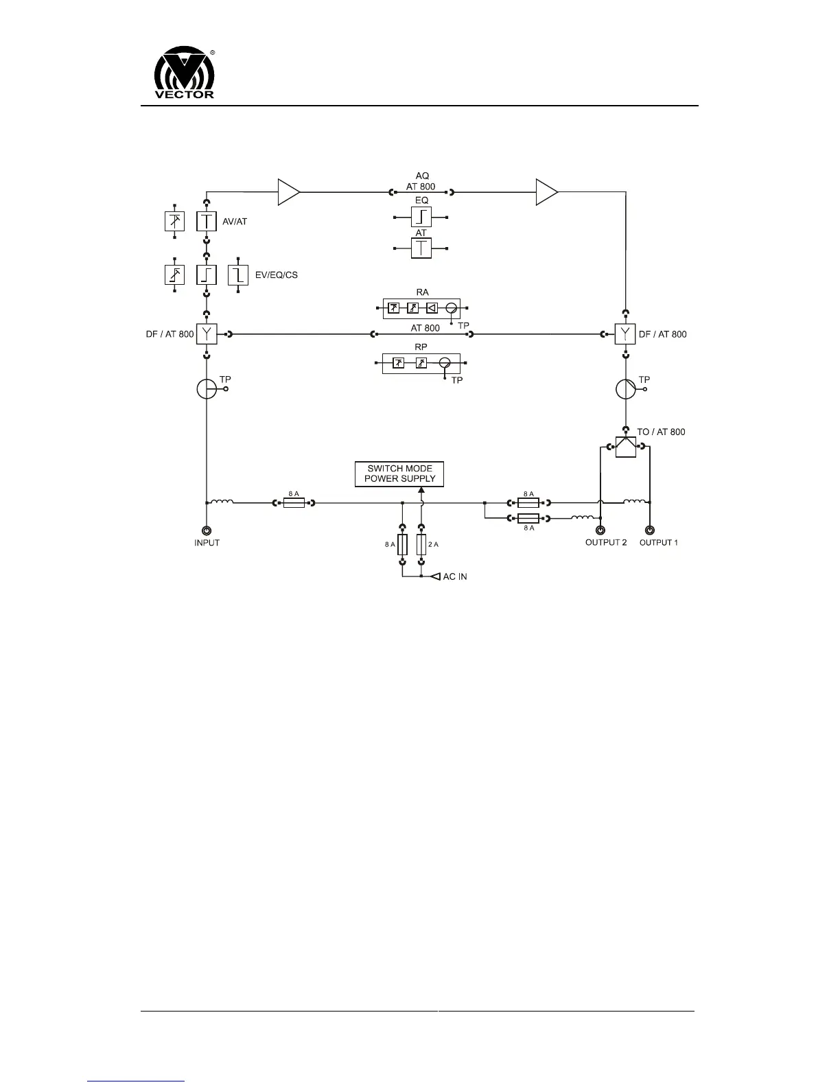
 )XQFWLRQDOEORFNGLDJUDP
)LJ)XQFWLRQDOEORFNGLDJUDPRIWKH$/3+$DPSOLILHU
 )RUZDUGSDWK
7KHIRUZDUGSDWKVHFWLRQSURYLGHVDPSOLILFDWLRQRI5)VLJQDOVUHFHLYHGIURPWKH
DPSOLILHU¶VLQSXWSRUW,WSHUIRUPVLQSXWDWWHQXDWLRQIRUDGMXVWPHQWRIVLJQDOOHYHO
DQGFDEOHVORSHFRPSHQVDWLRQDVZHOODVLQWHUVWDJHWLOWRULQWHUVWDJHJDLQFRQWURO
$IWHUDPSOLILFDWLRQRIWKHIRUZDUG5)VLJQDOWRWKHILQDORXWSXWOHYHOLWLVVSOLWDQG
GLUHFWHGWRZDUGWZRRXWSXWSRUWV7KHORFDWLRQRIWKHPDLQIRUZDUGSDWKHOHPHQWVLV
SUHVHQWHGLQWKH)LJ
 )RUZDUGSDWKDPSOLILHU
7KHIRUZDUGSDWK5)DPSOLILHUFRQVLVWVRIWZRLQSXWVWDJHVIROORZHGE\DK\EULG
3RZHU'RXEOLQJRXWSXWVWDJHLQ$/3+$8;$(<DPSOLILHUDQG3XVK3XOO
RXWSXWVWDJHLQ$/3+$8;$)<DQG$/3+$8;%-<DPSOLILHUV,W
HQDEOHVH[WUHPHO\KLJKRXWSXWVLJQDO¶VOHYHO/RZQRLVHLQSXWVWDJHSURYLGHVORZ
QRLVHILJXUH)RIWKHDPSOLILHUDQGKLJKFDUULHUWRQRLVHUDWLR&17KHYHU\KLJK
JDLQG%LVFRQVLVWHQWZLWKWKHKLJKRXWSXWOHYHO