EasyManua.ls Logo

Veit 2373 - Page 13

Veit 2373
20 pages
Print Icon
To Next Page IconTo Next Page
To Next Page IconTo Next Page
To Previous Page IconTo Previous Page
To Previous Page IconTo Previous Page
Loading...
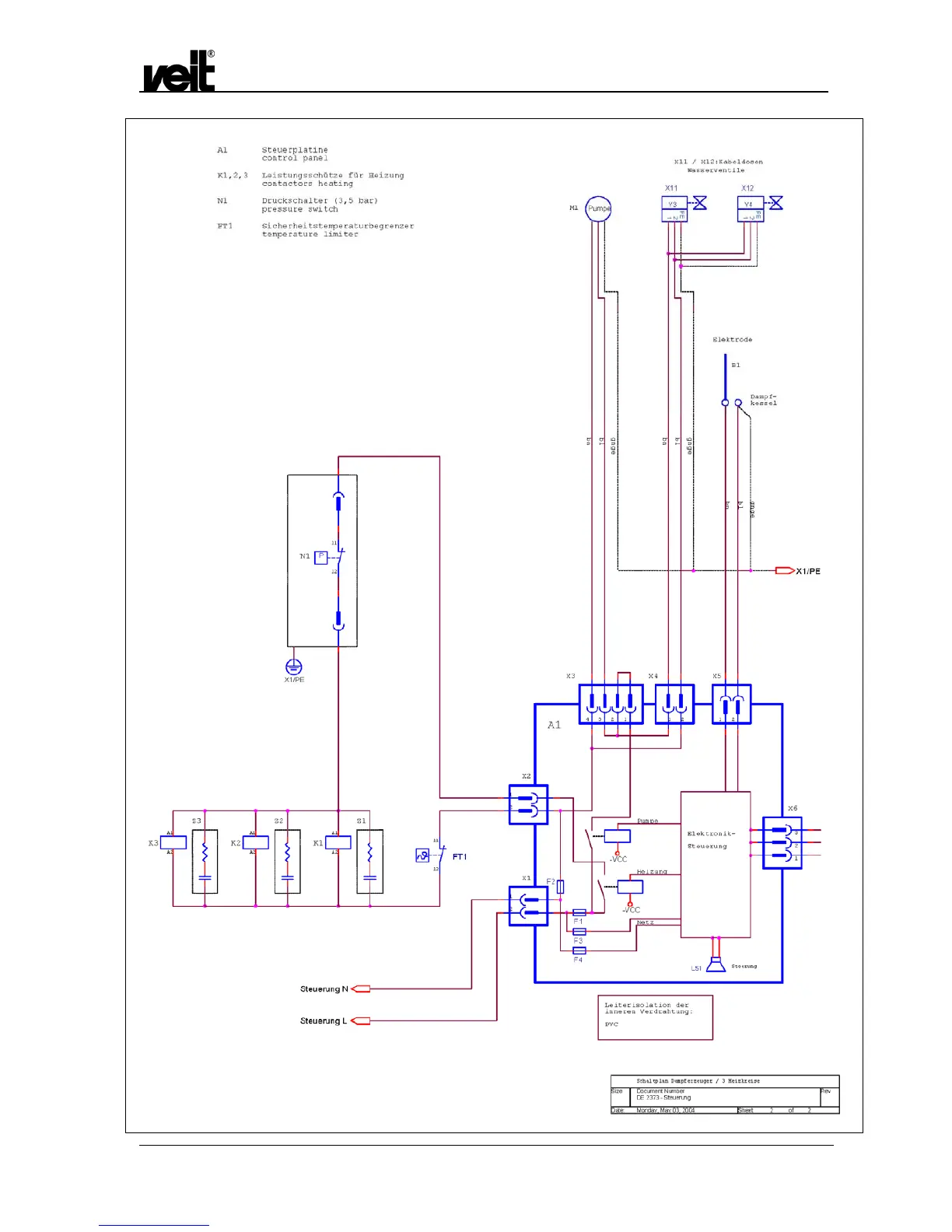
Dampferzeuger VEIT 2373
VEIT 2373 Steam Generator
27.09.2004 13

Related product manuals