EasyManua.ls Logo

Velleman-Kit K2655 - Page 14

Default Icon
16 pages
Print Icon
To Next Page IconTo Next Page
To Next Page IconTo Next Page
To Previous Page IconTo Previous Page
To Previous Page IconTo Previous Page
Loading...
14
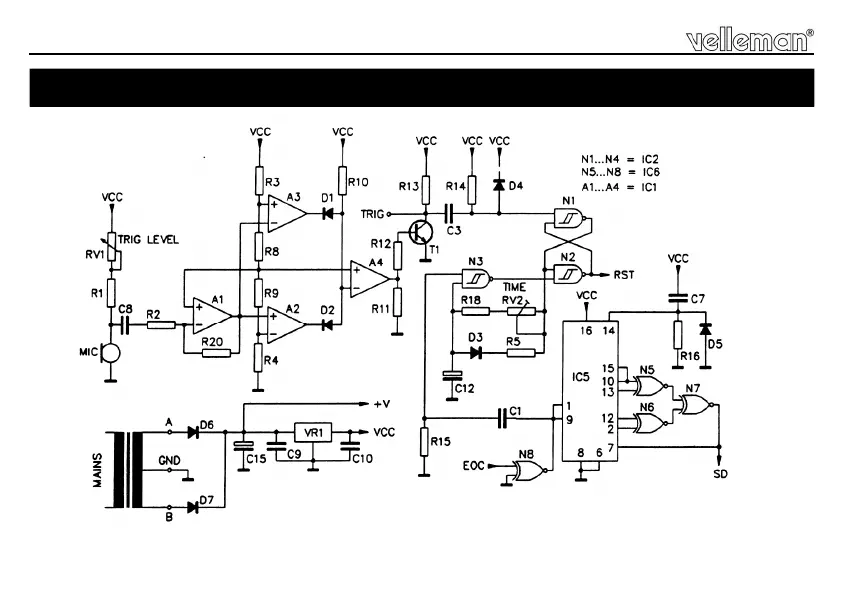
19. Diagram
Diagram

Related product manuals