EasyManua.ls Logo

Ventmatika EKA Series - Page 24

Ventmatika EKA Series
59 pages
Print Icon
To Next Page IconTo Next Page
To Next Page IconTo Next Page
To Previous Page IconTo Previous Page
To Previous Page IconTo Previous Page
Loading...
ELECTRICAL CIRCULAR DUCT HEATERS
EKA
23
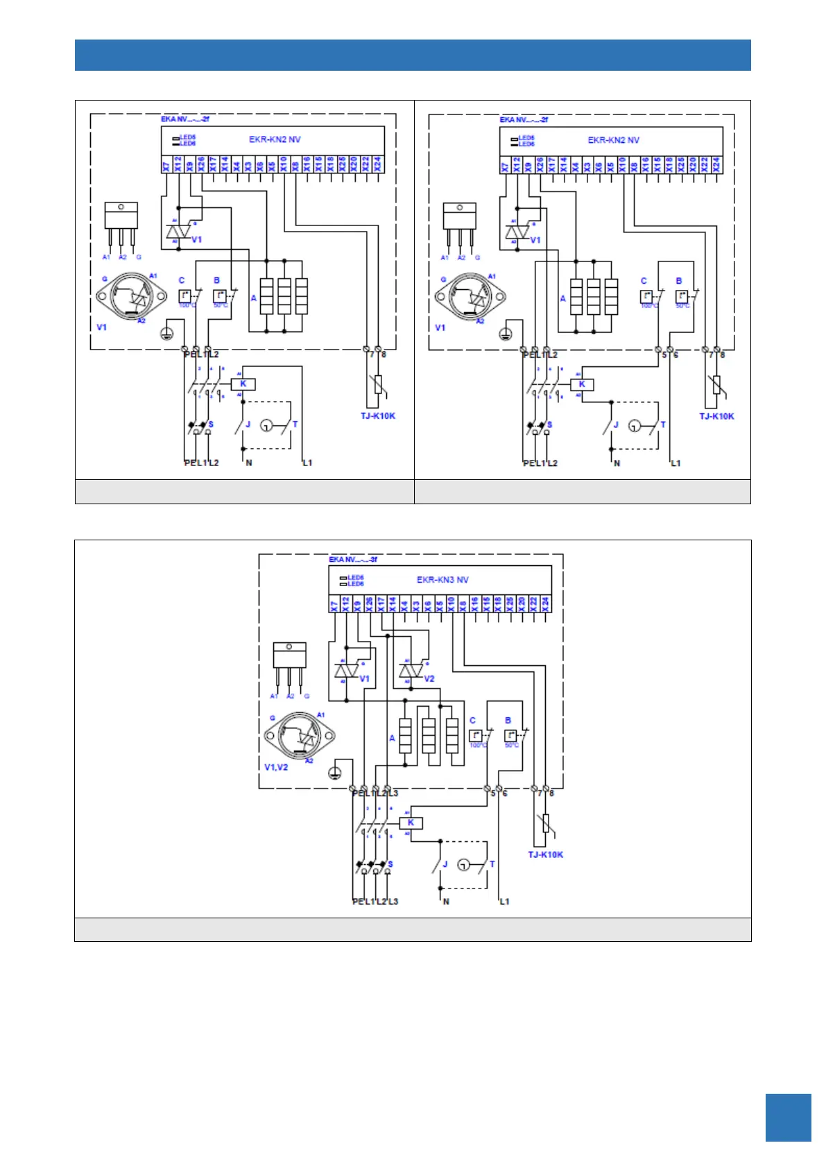
6 kW
> 6 kW
Fig. 20. Electrical wiring diagrams of 2-phase 400V heater EKA NV--2f
Fig. 21. Electrical wiring diagram of 3-phase 400V heater EKA NV…--3f

Other manuals for Ventmatika EKA Series

Related product manuals