EasyManua.ls Logo

Ventmatika EKA Series - Page 34

Ventmatika EKA Series
59 pages
Print Icon
To Next Page IconTo Next Page
To Next Page IconTo Next Page
To Previous Page IconTo Previous Page
To Previous Page IconTo Previous Page
Loading...
ELECTRICAL CIRCULAR DUCT HEATERS
EKA
33
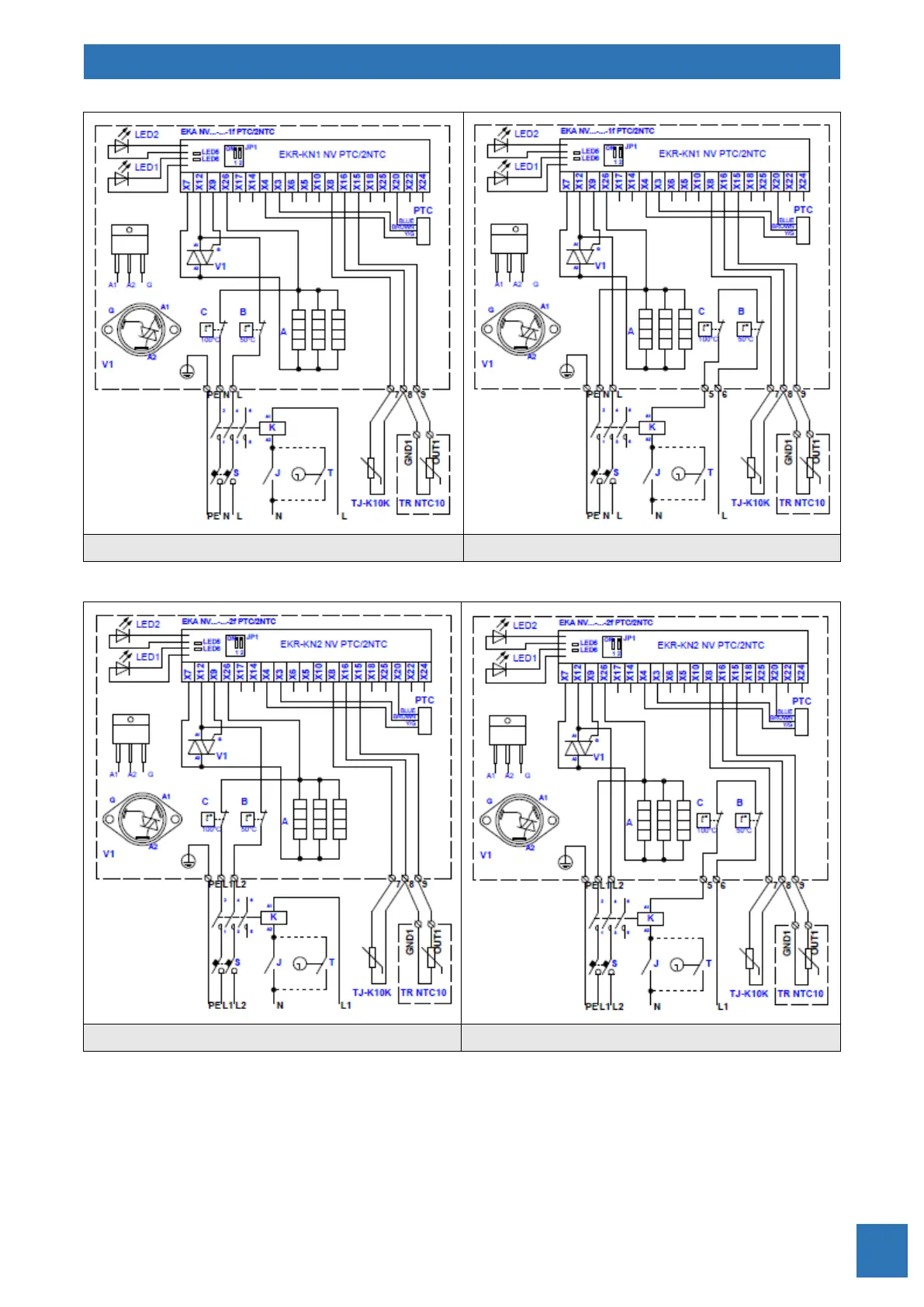
≤ 3,6 kW
> 3,6 Kw
Fig. 40. Electrical wiring diagrams of single phase 230V heater EKA NV…--1f PTC/2NTC
6 kW
> 6 kW
Fig. 41. Electrical wiring diagrams of 2-phase 400V heater EKA NV…--2f PTC/2NTC

Other manuals for Ventmatika EKA Series

Related product manuals