EasyManua.ls Logo

Ventmatika EKA Series - Page 39

Ventmatika EKA Series
59 pages
Print Icon
To Next Page IconTo Next Page
To Next Page IconTo Next Page
To Previous Page IconTo Previous Page
To Previous Page IconTo Previous Page
Loading...
ELECTRICAL CIRCULAR DUCT HEATERS
EKA
38
6 kW
> 6 Kw
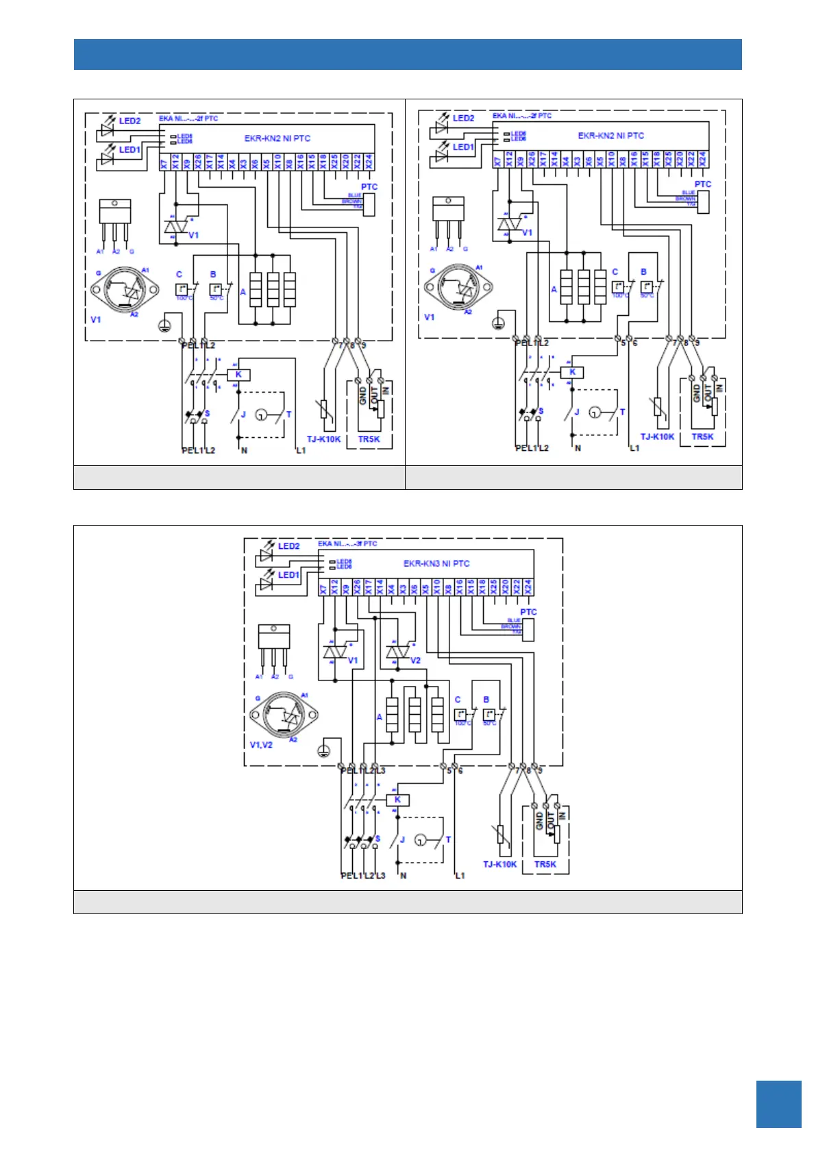
Fig. 50. Electrical wiring diagrams of 2-phase 400V heater EKA NI…--2f PTC
Fig. 51. Electrical wiring diagram of 3-phase 400V heater EKA NI…--3f PTC

Other manuals for Ventmatika EKA Series

Related product manuals