EasyManua.ls Logo

Vetus HYDRF12 - Page 16

Vetus HYDRF12
Print Icon
To Previous Page IconTo Previous Page
To Previous Page IconTo Previous Page
Loading...
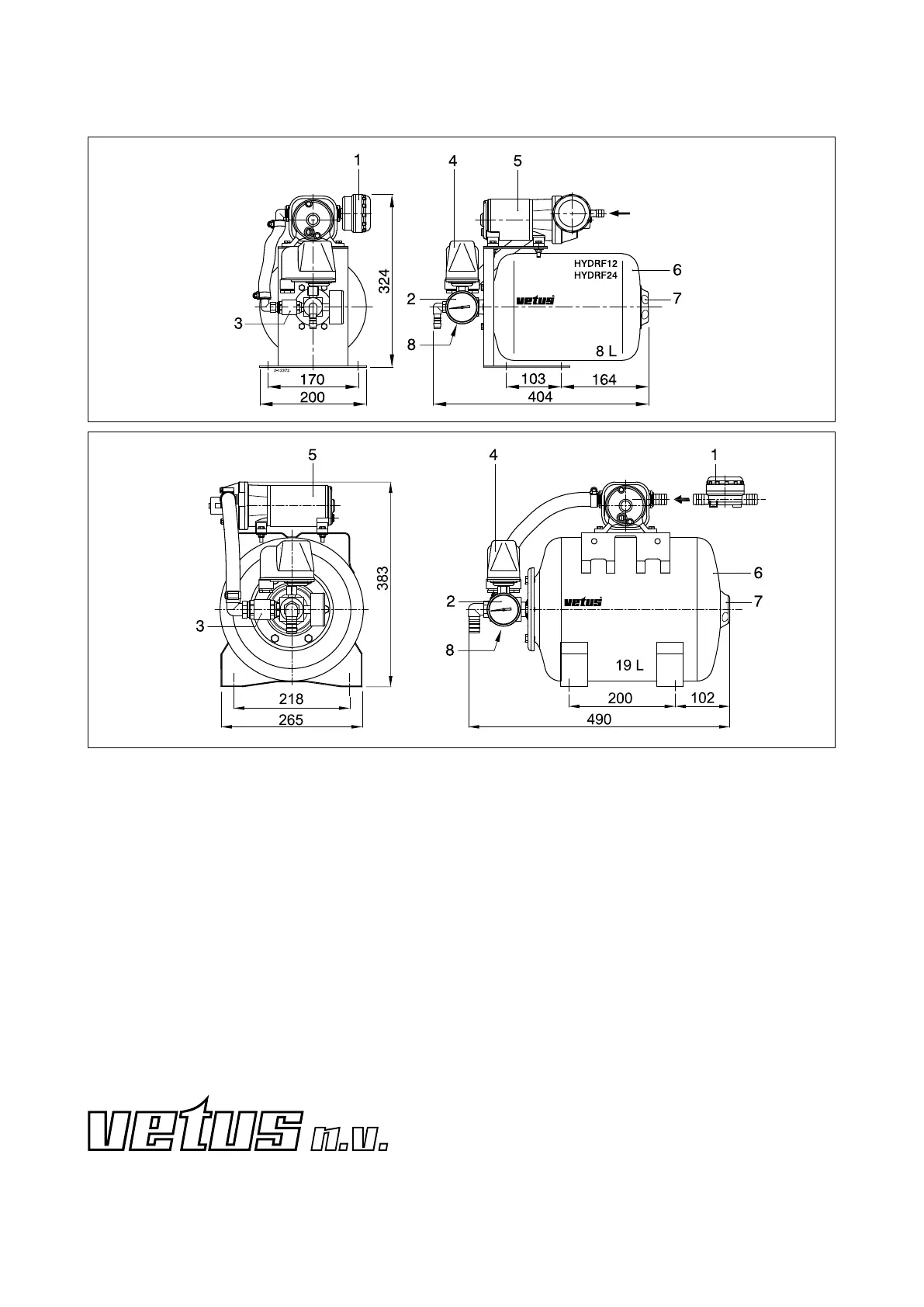
Hoofdafmetingen
Principal dimensions
Hauptabmessungen
Dimensions principales
Dimensiones principales
Dimensioni principali
1 Waterfilter
2 Manometer
3 Terugslagklep
4 Drukschakelaar
5 Pomp
6 Druktank
7 Vul/meetaansluiting, luchtkussen
8 Aftapplug
1 Water filter
2 Manometer
3 Non-return valve
4 Pressure switch
5 Pump
6 Pressure tank
7 Air cushion measuring/filler valve
8 Drain plug
1 Wasserfilter
2 Manometer
3 Rückslagventil
4 Druckschalter
5 Pumpe
6 Druckbehälter
7 Füll/Meßanschluß, Luftkissen
8 Abzapfstöpsel
1 Filtre à eau
2 Manomètre
3 Soupape de retenue
4 Interrupteur à pression
5 Pompe
6 Récipient à pression
7 Raccord de remplissage/mesure,
coussin à air
8 Bouchon de vidange
1 Filtro de agua
2 Manómetro
3 Válvula de retención
4 Interruptor de presión
5 Bomba
6 Depósito a presión
7 Conexión de relleno/medición,
amortiguador de aire
8 Tapón de purga
1 Filtro dell’acqua
2 Manometro
3 Valvola di ritegno
4 Pressostato
5 Pompa
6 Serbatoio a pressione
7 Raccordo di riempimento/misura-
zione di livello, cuscino pneumatico
8 Tappo di scarico
HYDRF1219
HYDRF2419
8 L
19 L
050404.03 07-09 Printed in the Netherlands
FOKKERSTRAAT 571 - 3125 BD SCHIEDAM - HOLLAND - TEL.: +31 10 4377700
TELEFAX: +31 10 4372673 - 4621286 - E-MAIL: sales@vetus.nl - INTERNET: http://www.vetus.com