EasyManua.ls Logo

Viessmann 5206 - Page 5

Viessmann 5206
12 pages
Print Icon
To Next Page IconTo Next Page
To Next Page IconTo Next Page
To Previous Page IconTo Previous Page
To Previous Page IconTo Previous Page
Loading...
5
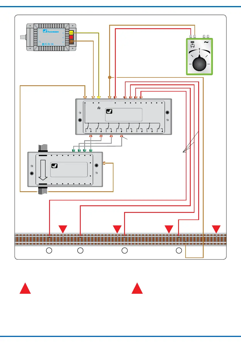
Fig. 2
Abb. 2
Sekundär
0-10-16 V~
16 V
Primär
230 V~
Gefertigt nach
VDE 0570
EN 61558
Lichttransformator
5200
Nur für trockene Räume
Primär 230 V 50 - 60 Hz
Sekundär max. 3,25 A52 VA
ta 25°CIP 40
10 V
0 V
s88
s88
Viessmann
Gleisbesetztmelder
8-fach 5206
1 2 3 4 5 6 7 8
16 V ~
bn ge Fahrstrom
1 2 3 4 5 6 7 8
4 3 2 1
8 7 6 5 4 3 2 1
Viessmann
Rückmelde-
Decoder 5217
9 10 11 12 13 14 15 16
Richtung Digitalzentrale
rot / red
...
gelb
braun
rot
braun
...
...
braun
braun
rot
grau / grey
brown
yellow
red
brown
brown
brown
red
braun / brown
z. B. / e. g. 5200
Dieses Symbol neben dem Gleis kenn-
zeichnet eine elektrische Trennstelle
(z.B. mit Isolierschienenverbindern) an
der gekennzeichneten Gleisseite. Bei
Märklin-Gleisen entspricht dieses einer
Mittelleiter-Trennstelle (Gleichstrom =
rechte Schiene in Fahrtrichtung, Wech-
selstrom = Mittelleiter).
This sign next to the track desig-
nates an electrical track separation
point (e.g. with insulating track con-
nectors) at the marked side of the
track. For Märklin tracks, this is a
center-conductor separation point.
(DC = right rail in driving direction,
AC = third rail).

Other manuals for Viessmann 5206

Related product manuals