EasyManua.ls Logo

Viking RAMTEL 733 - Page 2

Viking RAMTEL 733
12 pages
Print Icon
To Next Page IconTo Next Page
To Next Page IconTo Next Page
To Previous Page IconTo Previous Page
To Previous Page IconTo Previous Page
Loading...
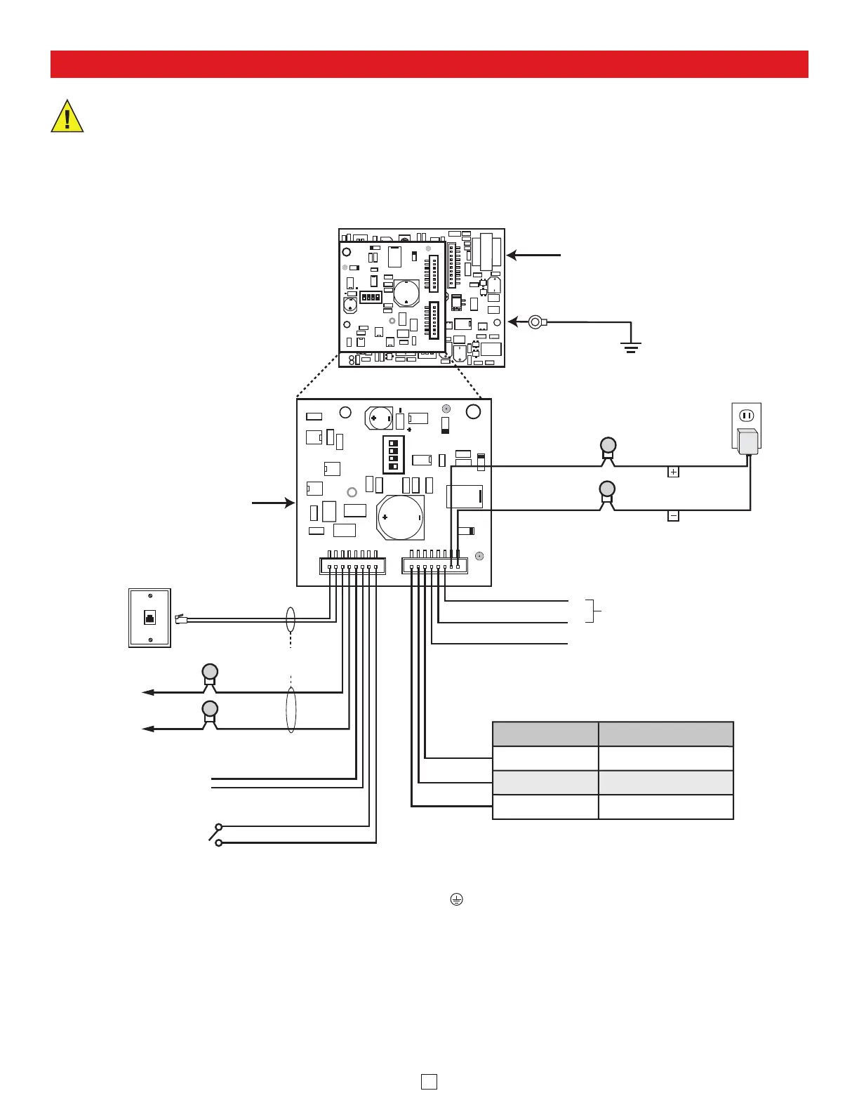
Wiring
2
1
3
2
ON
1
2
ON
Ring Connector
(included)
* Earth
Ground
(optional)
1600A Emergency
Phone Board
Rear View of the
E-1600A-RT/RTM-EWP
Phone Panel
** Gel-Filled Butt
Connectors (included)
Note: Polarity Sensitive!
*** Drip
Loop
BLK-4 Control
Module (included)
(-) Black with
Red stripe
120V AC
(+) Red with
Black stripe
Red (+)
Black (-)
Green
Red with
Yellow stripe
Green with
Yellow stripe
Auxiliary Relay Contact Output
(see section D on page 4)
Blue
Blue
Incoming
Analog
Phone Line
Purple
Orange
Yellow
12V DC
Adapter
(included)
White
White
Disable Feature
(see section E on page 6)
Note: Not polarity
sensitive.
Trigger Input for Optional
Remote Trigger Switch
(see section G on page 4)
+
-
Switched 12VDC Output
(to control lead of optional SL-2)
12VDC Output
(optional SL-2 power)
Negative
Positive
Brown
Gray
Red
Green
From 1600A
Phone Board
IMPORTANT: Electronic devices are susceptible to lightning and power station electrical surges from both the AC outlet
and the telephone line. It is recommended that a surge protector be installed to protect against such surges.
* Note: To increase surge protection, loosen the PCB mounting screw labeled (as shown) and fasten a wire with ring connector (included) from the
mounting screw to Earth Ground (grounding rod, water pipe, etc.)
** Note: The gel-filled (water-tight) butt connectors are designed for insulation displacement on 19-26 gauge wire with a maximum insulation of 0.082
inches. Cut off bare wire ends prior to terminating.
DIP Switch 4 OFF
DIP Switch 4 ON
N.C.
+12VDC Normally ON
COM
+12VDC
N.O.
+12VDC Normally OFF

Related product manuals