EasyManua.ls Logo

Vimar ELVOX 6931 - Page 34

Vimar ELVOX 6931
42 pages
Print Icon
To Next Page IconTo Next Page
To Next Page IconTo Next Page
To Previous Page IconTo Previous Page
To Previous Page IconTo Previous Page
Loading...
34
EN
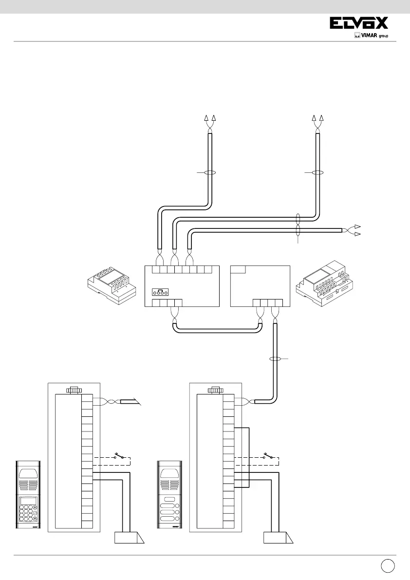
RISER WITH OPTION OF ALTERNATING BETWEEN THE PANEL WITH PUSH-BUTTONS
ONLY AND THE ALPHANUMERIC PANEL, USED AS THE BASIS FOR INTERACTING WITH
THE FOLLOWING TWO CONFIGURATIONS (REF. SI432R2).
TO DIAGRAM SI432R1 - SI429R1
6
3
C
9
5
2
1
4
0
R
7
8
X
88888888
2
1
CA
M
M
+12V
-L
SR
F1
F2
S-
S+
B2
B1
VLED
X
PA
M
EXT-
EXT+ EXT+
EXT-
M
PA
X
VLED
B1
B2
S+
S-
F2
F1
SR
-L
+12V
M
M
CA
PRI
B22
1
B1
1C 2C2B1A 1B2A
2112
C
2D1D
BA
2
1
2
1
Mains
CABLE RISER
D0
D
P
X
L
P
L
X
X
X
D0
D
D0 - VIDEO ENTRANCE PANEL 89F7, 89F7/C SERIES
D- VIDEO ENTRANCE PANEL 89F5, 89F5/C
F - POWER SUPPLY type 6922
J - CONCENTRATOR type 692C
L- ELECTRIC LOCK 12~
P- DOOR CONTROL
X - CABLE type 732H, type 732I (Two twisted wires)
F- Art. 6922
J- Art. 692C

Related product manuals