EasyManua.ls Logo

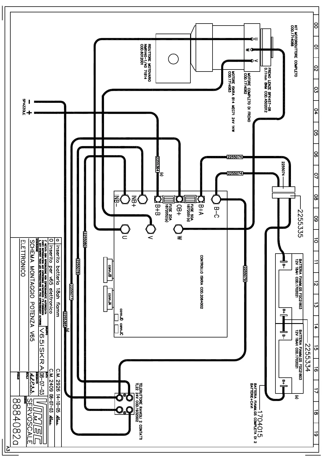
vimec V65 - V65 Electronic Power Assembly Diagram

Default Icon
19 pages
Print Icon
To Next Page IconTo Next Page
To Next Page IconTo Next Page
To Previous Page IconTo Previous Page
To Previous Page IconTo Previous Page
Loading...
PDF creato con pdfFactory Pro versione di prova www.secom.re.it/fineprint

Related product manuals