EasyManua.ls Logo

Voxx ACA501 - Wiring Diagram and Harness

Voxx ACA501
8 pages
Print Icon
To Next Page IconTo Next Page
To Next Page IconTo Next Page
To Previous Page IconTo Previous Page
To Previous Page IconTo Previous Page
Loading...
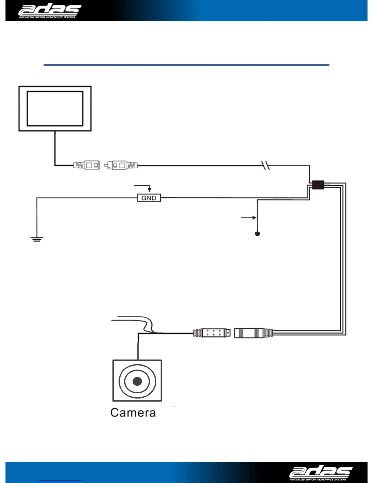
Harness & Device Wire Diagram
Cut WHITE LOOP for a forward or normal image view
Cut BLUE LOOP to shut parking lines off
Black Ground Wire
+12v Reverse Wire
Monitor