EasyManua.ls Logo

Walker MDD (20.9 HP) - Page 55

Walker MDD (20.9 HP)
92 pages
Print Icon
To Next Page IconTo Next Page
To Next Page IconTo Next Page
To Previous Page IconTo Previous Page
To Previous Page IconTo Previous Page
Loading...
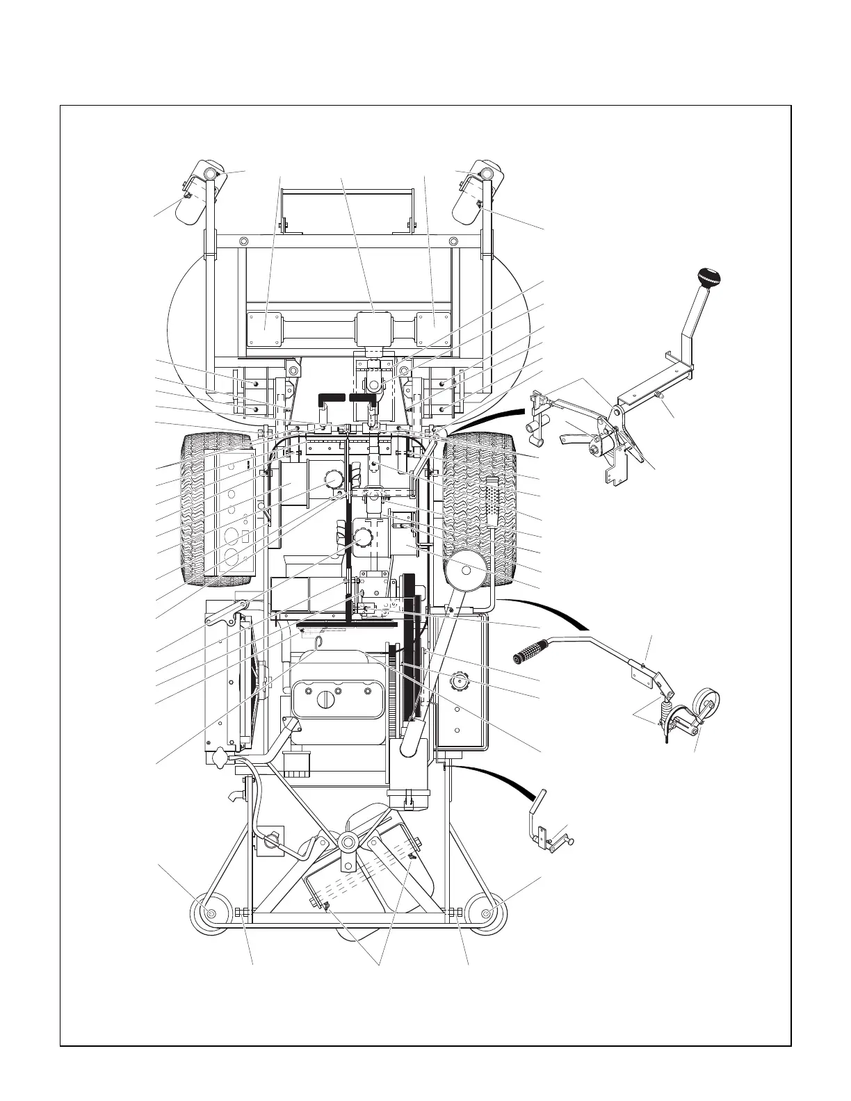
Maintenance Instructions LUBRICATION
51
13
223
4
4
15
15
16
16
14
14
10
11
12
13
18
19
17
21
21
23
24
25
22
20
27
28
29
28 & 38
26
30
30
31 3132
34
33
36
37
37
35
33
34
39
40
11
5
6
8
8
9
9
7
7
7
7
Chassis and Deck Lubrication Points

Table of Contents

Related product manuals