EasyManua.ls Logo

Weider WEEVSY87210 - Weider 8515 Exploded Drawing

Weider WEEVSY87210
30 pages
Print Icon
To Previous Page IconTo Previous Page
To Previous Page IconTo Previous Page
Loading...
23
11
11
8
8
55
27
12
15
44
15
71
23
21
44
21
3
61
60
3
3
5
51
14
19
26
51
25
64
63
3
76
72
9
92
3
3
4
1
27
65
41
10
43
3
21
6
50
7
42
7
50
6
21
69
70
69
70
47
48
44
45
44
45
52
53
39
49
62
2
10
67
54
31
31
74
12
6855
3
21
66
15
20
74
31
49
46
31
46
22
3
9
16
15
21
58
59
17
21
44
44
66
73
71
49
13
40
38
37
18
32
28
30
34
10
2
24
36
30
34
14
33
3
29
34
30
28
8
3
32
30
34
35
15
12
2
57
58
21
10
89
85
84
83
86
83
84
85
80
82
69
70
82
69
70
78
79
77
77
81
81
56
31
1
3
3
8
11
87
75
88
89
15
89
71
89
90
91
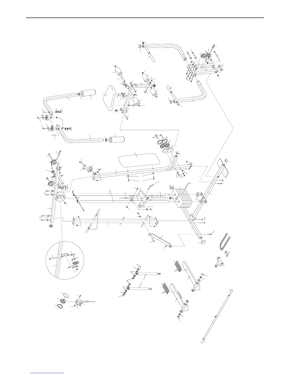
EXPLODED DRAWING—Model No. WEEVSY87210 R0202B

Related product manuals