EasyManua.ls Logo

Weller WTCPT - TROUBLESHOOTING GUIDE; Tool Does Not Heat; Iron Overheats or Temperature Inaccuracy; High Tip Voltage or Component Damage

Weller WTCPT
4 pages
Print Icon
To Next Page IconTo Next Page
To Next Page IconTo Next Page
To Previous Page IconTo Previous Page
To Previous Page IconTo Previous Page
Loading...
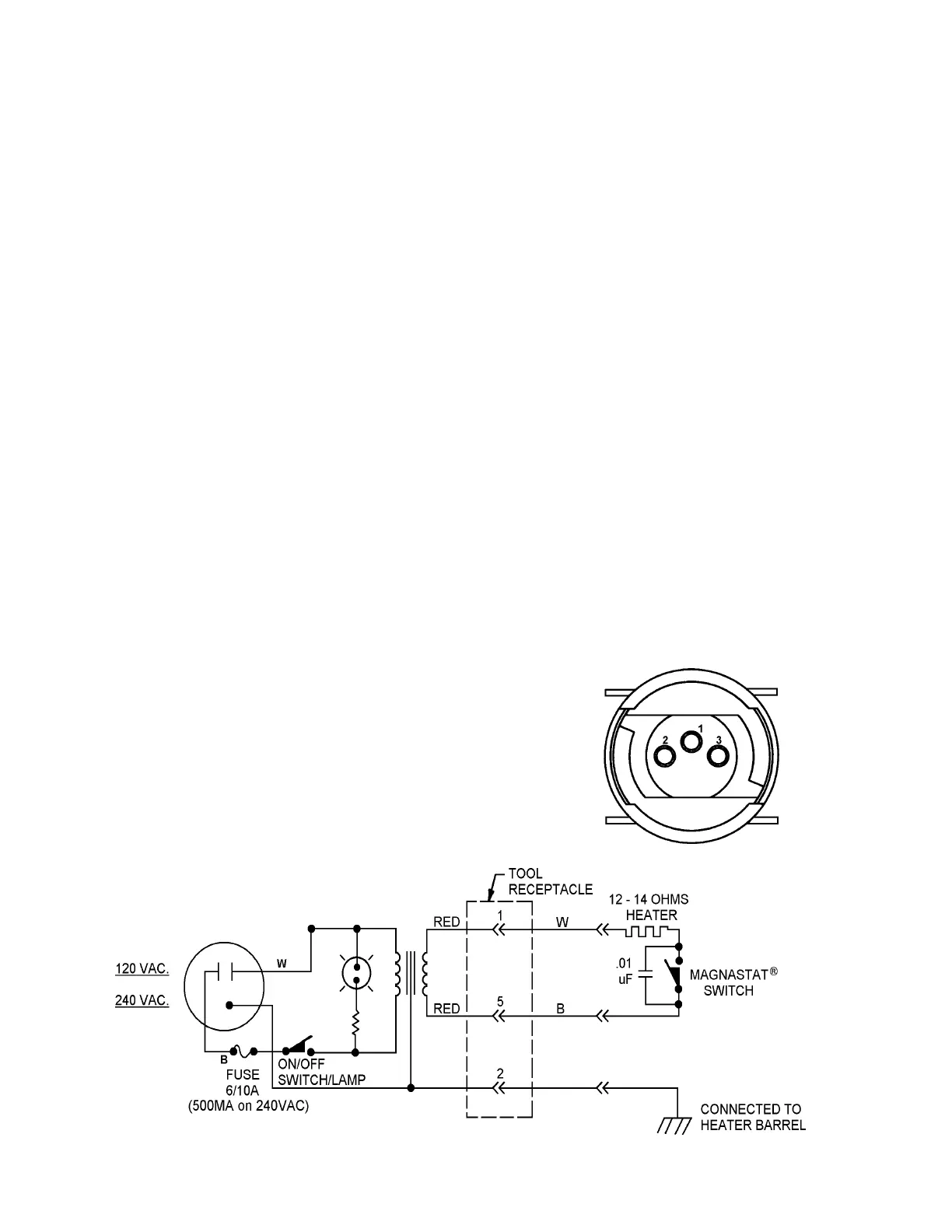
WTCPT TROUBLESHOOTING GUIDE
WARNING: AC line voltage is present inside power unit even when power switch is off. Refer service to qualified personnel.
NOTE: Access to internal parts may be gained by removing four rubber feet, four bottom screws and case top.
1. Tool does not heat.
1.1 Check at pin 1 and pin 2 of power unit tool receptacle for 24VAC. If not present, proceed to step 1.3. If power unit tests
good, TC201T tool is defective.
1.2 TC201T troubleshooting guide. (Tool does not heat).
1.2.1 Tip Check  inspect tip for missing magnastat or wrong type tip. Replace tip. Check tip spring action, there
should be 1/16 minimum spring action.
1.2.2 Heating Element Check  check resistance at pin 1 and pin 2 of tool plug for 12 to 14 ohms. If tool tests good,
connector pins are worn or damaged and not making good contact. If tool tests bad, remove two screws from
heating element flange. Grasp heater barrel and black heat insulator, pull heating element free from tool.
Check resistance at two closely spaced pins on heating element for 12 to 14 ohms.
1.2.3 Magnastat Switch Check  Place tool on workbench with flat at rear of handle up. Insert 3/16 flat blade
screwdriver into slot at rear of handle. Compress cord by pushing downward and toward handle until cord is
pushed into handle (do not pry on handle). This releases the strain relief catch. Slide handle down cord to
expose switch terminals. Check for proper magnastat switch operation by testing for continuity across
magnastat switch terminals with tip held against end of switch; and loss of continuity when tip is removed. If
magnastat checks good, check iron cord wiring for continuity.
1.3 PU120T power unit troubleshooting guide. (No 24VAC at tool receptacle, step 1.1).
1.3.1 Check for switch light when unit is turned on. If switch light is not illuminated, replace fuse located in base.
Use 6/10 amp fuse (500MA, 5x20MM on 240V models). If still not illuminated, the switch, line cord, or associ-
ated wiring is defective. Unplug unit form AC line and check wiring.
1.3.2 Check for 26VAC, ±2V, between red and yellow transformer leads, Replace fuse or transformer if defective.
2. TC201T iron overheats or temperature is higher than marked on tip.
2.1 Replace tip with Weller
®
tip.
2.2 Check magnastat switch and heating element. Refer to step 1.2.2 and 1.2.3 above.
3. High tip voltage or indication of circuit component damage.
3.1 Check for 2 ohms maximum from tip to ground prong on line cord plug, repair as required.

Related product manuals