EasyManua.ls Logo

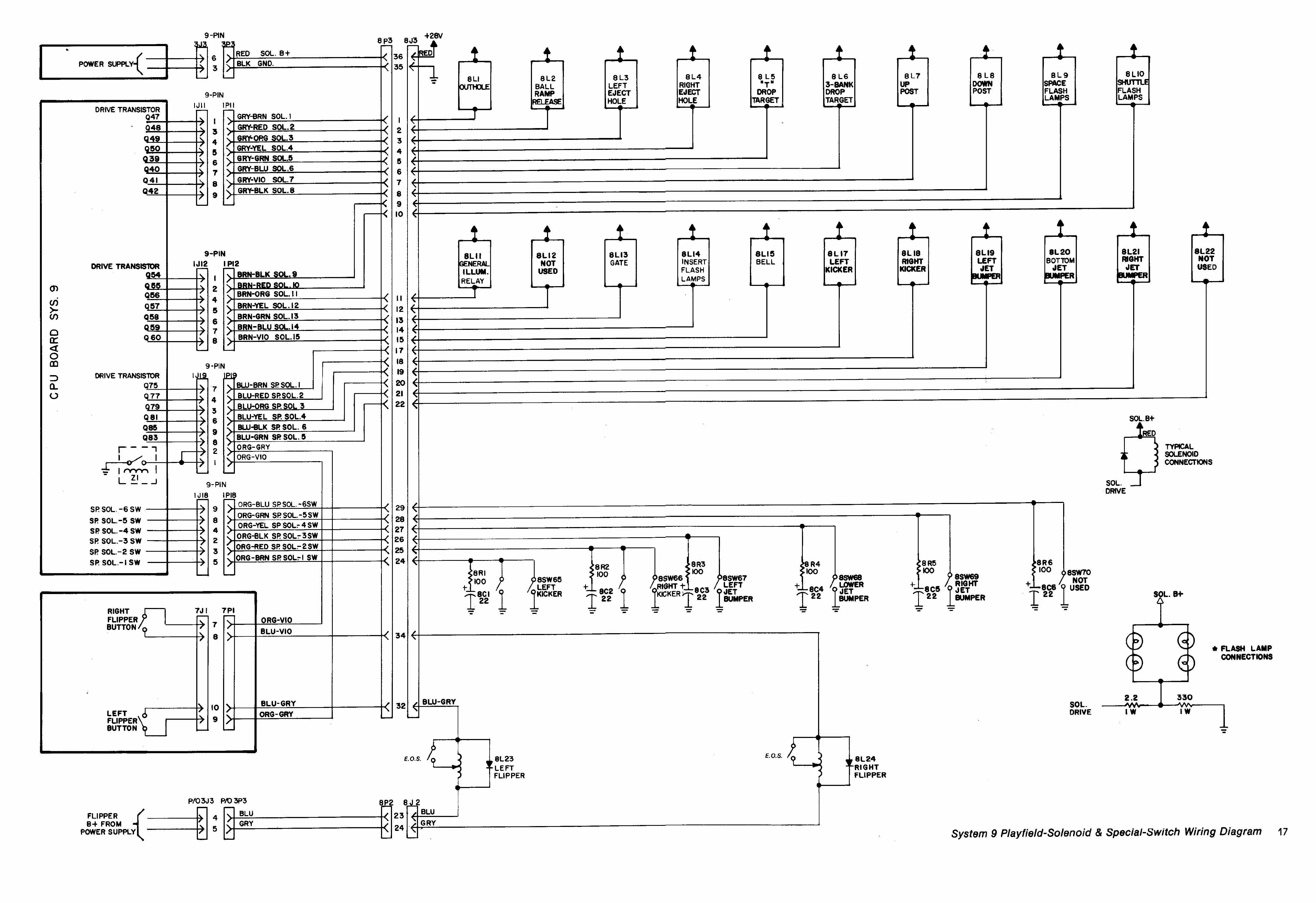
Williams SPACE SHUTTLE - System 9 Playfield-Solenoid & Special-Switch Wiring Diagram

Williams SPACE SHUTTLE
33 pages
Print Icon
To Next Page IconTo Next Page
To Next Page IconTo Next Page
To Previous Page IconTo Previous Page
To Previous Page IconTo Previous Page
Loading...
9-PIN
8p3 °' 428V
4
36
4(135
.)IG
I>10
SOL.B+
SUPPLY
POWER
_]
j
3
[•j BLK GND.
9-PIN
DRIVE TRANSISTOR
lUll
IPU
Q47 _
- Q48
3
1 > GRY-BRN SOL.1
-
9
3 )' GRY-RED SOL2
Q4$
3
4 > GRY'ORG 50L3
950
I>
5 >
GRY-YEL SOL.4
::
___
__
3
6 > GRY-GRN
* 7 > GRY-BW SOL.6
::
.> 8 > GRY-VIO
.* 9 > GRV-BLK SOL.8
9-PIN
DRIVE TRANSISTOR
IJ12
I P12
04 _____
________________
) I > BRN
-
BLK SQL 9
m
050
_____
Q86
> 2 > BRN-RED SQL, IO
(l's
.> 4 > BRN-ORG SOL.II
>1b
Q57
-
5
> BRN-YEL SOL.12
U,
Q58
-> 6 >
BRN-$RN SOL.I3
C
059
1
7 > BRN-BLUSOLI4
It
080
). 8
> BRN-VIO SOL.15
C
0
9-PIN
D
DRIVE TRANSISTOR
I jQ
ci_
075 ______
(_)
Q77
) I >1LtBRNSPSOLI
h
4 > BLU-RED SP SOL. 2
Q19
* 3 > BLU-ORGSRSOL3
::
3
6 > BLU-YEL SR
Q83
*
9
> BLIJ-BLK SPSOL.6
BLU-GRN SPSOL.5
2 > ORG-GRY
'o I
I > ORG-yb
rt-v
-y-I
L!i_
— —
9-PIN
IJ18
1
EL8
SRSOL.-6SW
-)
9
> ORG-BLUSPSOL-65W
SR SOL.-5 SW
5
8 )- ORG-GRN SPSOL.-5SW
SPSOL-4SW
-)
4
>- ORG-YEL SPSOLr4SW
SPSOL.-3SW
-3
2 >
ORG8LKSPSOL_3SW
SPSOL.-2SW
I
3 >ORGREDSPSOL_2SW
SPSOL.- ISW
3
5 >ORG_BRNSPSOL
7
ISW
2
3
4
5
6
1
S
9
10
II
2
13
14
15
17
18
19
2C
21
22
2c
2€
27
26
25
24
RIGHT
FLIPPER
BUTTON
BLU-VIO
3'
TP,
7
8
'LASH LAMP
ONNECTION$
31
LEFT
FLIPPER
BUTTON
BLU-GR'
DRG-GRY
10
9
P/03J3 P/0 3P3
FLIPPER" __________
1
BLU
POWER
SUPPLY
!i
1?]
GRY
B+ FROM -4
)iagram
17
23
24

Related product manuals