EasyManua.ls Logo

Williams SPACE SHUTTLE - Power Wiring Diagram

Williams SPACE SHUTTLE
33 pages
Print Icon
To Next Page IconTo Next Page
To Next Page IconTo Next Page
To Previous Page IconTo Previous Page
To Previous Page IconTo Previous Page
Loading...
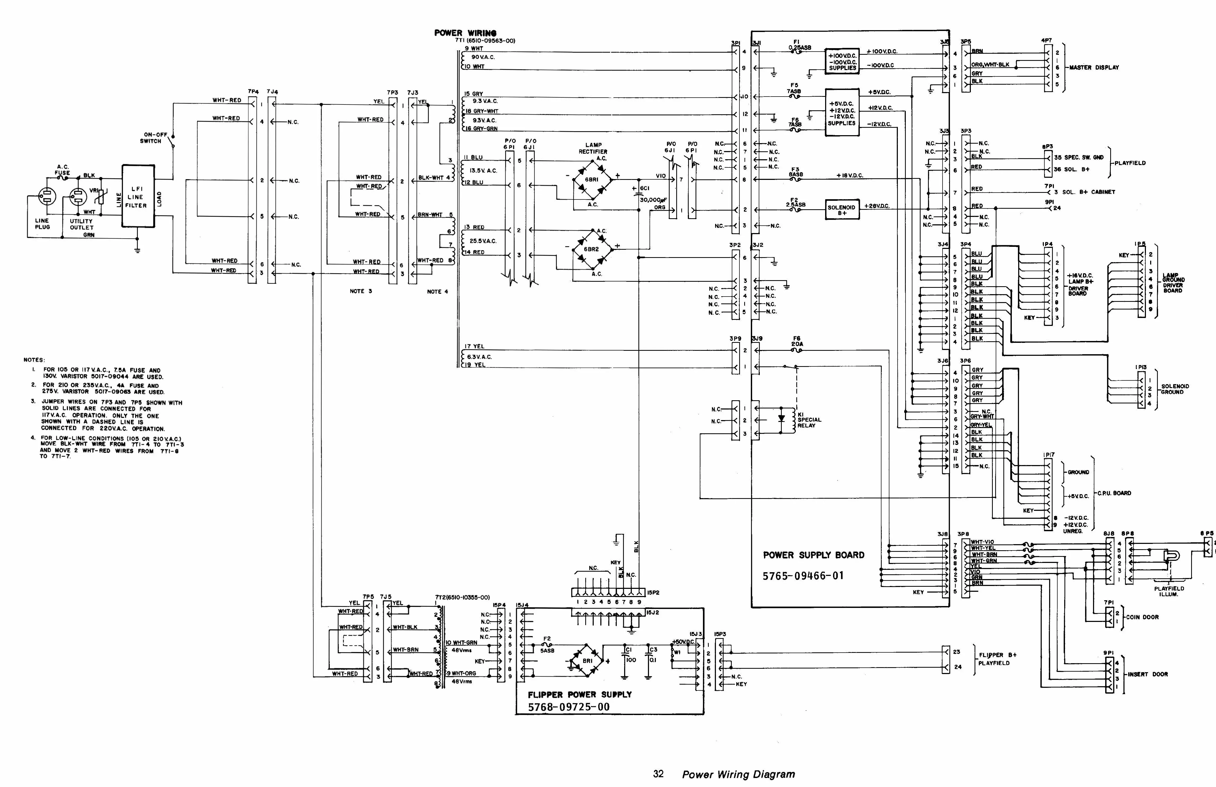
POWER WIRIN
7T1 (6510-09563-00)
-- 9WHT
90V.A.C.
HID WHT
4
9
t
GROUND
<
•1
<
L+5D.c. •C.PU. BOARD
<1
< S -12V.D.C.
< 9 +12V.D.C.
- UNREG.
8J8 BPS
4
5
6
2
3
3)8I 3P8
KEY
S
4
l
2 i-INSERT DOOR
23
24
3,141 3P4
5
6
7
8
10
11
I
2
3
4
4
10
9
7
3
6
2
14
13
12
II
15
>
Lj
>BLU
->
-
BUt
-)
>BtU
-4
>BLU
>B4Jc
--9
>BLI
(
-3
-4
>Bl.
1(
>3LK
-412
>
3
LK
--
>BLK
-4
BLK
__,
>BLK
-4
3J6
- )
GRY
3P6
>
>
>
>
)
>
>
- 3
GRY
>GRY
-
>GRY
-8
-
)
GRY
-4
>GRYWH
N.C.
-*
-+
GRY-YE L
BLK
--14
-
BLK
>BLK
-
>BL
K
-,
- )
N.C.
I P13
j1 SOLENOID
GROUND
4
I P17
PLAYFIELD
ILLJJM.
_COIN DOOR
KEY
-<
,-
+16V.D.C.
r -
_______
LAMP B+
-
DRIVER
-
BOARD
f-
9
.-
2
I
3
4
6
7
<S
(9
MIUND
DRIVER
BOARD
K
<
(
<
(
-
1P4
<2
<4
<5
<6
<7
<8
<9
KEY
-< 3
N.C.-
N.C.-
--
—>
-->
3J
I
2
6
7
8
4
5
3P3
-N.C.
N.C.
B
-
LK
)--
)•
)
>-
>
>
>
)
>
RED
>RED
-RE D
N.C.-
N.C.--4
N.C.
N.C.
)
--1
36 SOL. B+
}PLAYFIELD
SPEC. SW. GND
8P3
7P1
-< 3 SOL. B+ CABINET
9P1
—.< 24
4P7 Is
2
6 -MASTER DISPLAY
3
5
3P5
4
3
6
7P4 7J4
4
TP3 7J3
4
NOT E4
ISGRY
<410
c
-
9.3VA.C.
18 GRY-WHT
< 12
:
9.3V. A.C.
16RY
-
GRN
_\
plo wo
N.C.
-J-<
6
II
.flI
I
5
8
2
(J
3
.J
N.C.
3J2
6-
2
<--N.C.
4
.
-N.C.
I
4
-NC.
5
-N.C.
Fl
+IOOVD.C.
-IOO'"xc.
SUPPLIES
F5
7A88
-"_p-
T1I5V.D.CI
+5V.D.C.
__________
I
+12V.D.C.
[
••
L
-12V.D.C.
I
F6
.
TASB
I SUPPLIES
-12V.D.C.
N.C.
N.C.
N.C.
F3
8ASB
SOLENOID
I
+2$VD.C.
B+
I
Fe
20A
KI
SPECIAL
RELAY
POWER SUPPLY BOARD
5765-09466-01
F2
2SASB
.4. 18V.D.C.
NOTES;
I. FOR 105 OR I7V.AC., 75A FUSE AND
130V. VARtSTOR 507-09044 ARE USED.
2.
FOR 210 OR 235V.A.C.
1
4A FUSE AND
275V. VARISTOR 501'-09063 ARE USED.
3.
JUMPER WIRES
ON
7P3 AND 7P5 SHOWN
WITH
SOLID LINES ARE CONNECTED FOR
117V.A.C. OPERATION. ONLY THE ONE
SHOWN WITH A DASHED LINE IS
CONNECTED FOR 220V.A.C. OPERATION.
4.
FOR
LOW-LINE CONDITIONS (105
OR 210 V.A.C.)
MOVE BLK-WHT WIRE FROM
7TI
-4
TO 111-3
AND MOVE
2 WHT-RED WIRES FROM 771-8
TO 711-7.
2
5
6
3
2
5
6
3
HT
-
p/o io
6P1 6J1
LAMP
I ii
2
3
772(6510
I
NC-•
N. C-!-
N.C.-
IOWHT-GRN
I
15P4
I
2
4
5
s
7
9
;i
)
4
I
,-
48Vrvns
L>
KEY—
:9wffl-oRG
)fr
.
a
48Vrms
>
-
-
F2
,-d\p-
.
4
I
SASB
J_CI jC3
:j-
BRI 4
ro T.,
FLIPPER POWER SUPPLY
5768-09725-00
15J
31
15P3
N.C.
- KEY
32
Power Wiring Diagram

Related product manuals