EasyManua.ls Logo

Wöhler AMP2-V2DA - Page 24

Wöhler AMP2-V2DA
26 pages
Print Icon
To Next Page IconTo Next Page
To Next Page IconTo Next Page
To Previous Page IconTo Previous Page
To Previous Page IconTo Previous Page
Loading...
© 2001 Wohler Technologies Inc. ALL rights reserved
24
AMP2-V2DA User Manual P/N 821539 Rev-A
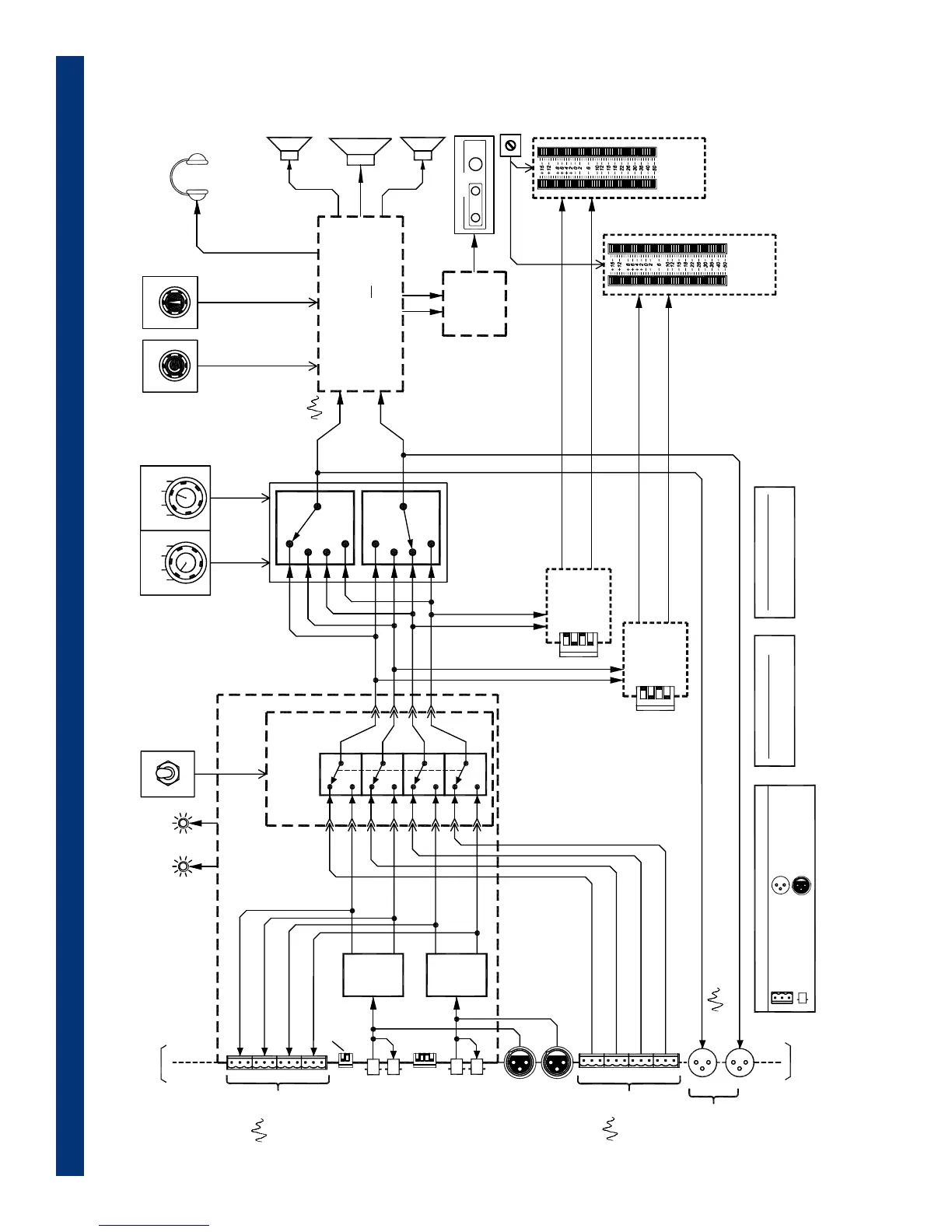
AMP2-V2DA Interconnect Block Diagram
Section 3: Technical Information
2
Right
4
3
3
1
4
Left
1
2
Selected
Output
(L and R)
Chan. B (Right)
Chan. A (Left)
Rear
Panel
R
L
Audio Amplifier PCB
919100-2
or 919164
Volume Balance
Headphone
Phase
Indication
PCB
919084
D/A 1
Con-
verter
AES IN 1
Dual Input
AES to Analog
Converter PCB
919050
AES IN 2
AMP2-V2DA Interconnect Block Diagram
CONVERTED
ANALOG OUT
1-4
AES 1 AES 2
Rear
Panel
AES Input Impedances:
BNC = 75
Ω, Unbalanced
Phoenix = 110
Ω, Balanced
3412
AES Term
DIP
Switch
21
AES OUT 1
AES Gain Calib.
DIP Switch
Analog/Digital
Source Select
ANALOG
DIGITAL
A
D
D
A
D
A
D
A
AES OUT 2
ANALOG IN
1-4
1
2
3
4
1
2
3
4
1
2
2/4 Switch PCB
Plugin Module
919083
1
2
3
4
4
3
2
1
Status LEDs
D/A 2
Con-
verter
4
3
53-Segment
Level Meters
(Selected
Source:
Chan.3-4)
SOURCE
LEFT
Speaker
Select
Switch
2
SOURCE
1
3
4
1
RIGHT
Speaker
Select
Switch
4
2
3
Connector Legend
= XLR-M, 3-Pin, Male
= Phoenix, 3-Pin, Male
= BNC, Female
Rev-A, 10/03/02
= XLR-F, 3-Pin, Female
Right
Side
Speaker
Middle
Speaker
(Woofer)
R
L
Left
Side
Speaker
Bargraph
Brightness
Adjust
Bargraph
Driver PCB
919110
3 4
Level
Generator
PCB (3/4)
919126
DIP Switches
Level Gain &
Display Mode
(top cover
access)
4231
Phase
Indication
FAST
PHASE
AVG
Level
Generator
PCB (1/2)
919126
4132
Bargraph
Driver PCB
919110
12
AES IN 1
AES IN 2
53-Segment
Level Meters
(Selected
Source:
Chan.1-2)
Analog Input Impedances:
Phoenix = 200K
Ω, Bal.