EasyManua.ls Logo

Wolfcraft 5027 - Page 13

Wolfcraft 5027
36 pages
Print Icon
To Next Page IconTo Next Page
To Next Page IconTo Next Page
To Previous Page IconTo Previous Page
To Previous Page IconTo Previous Page
Loading...
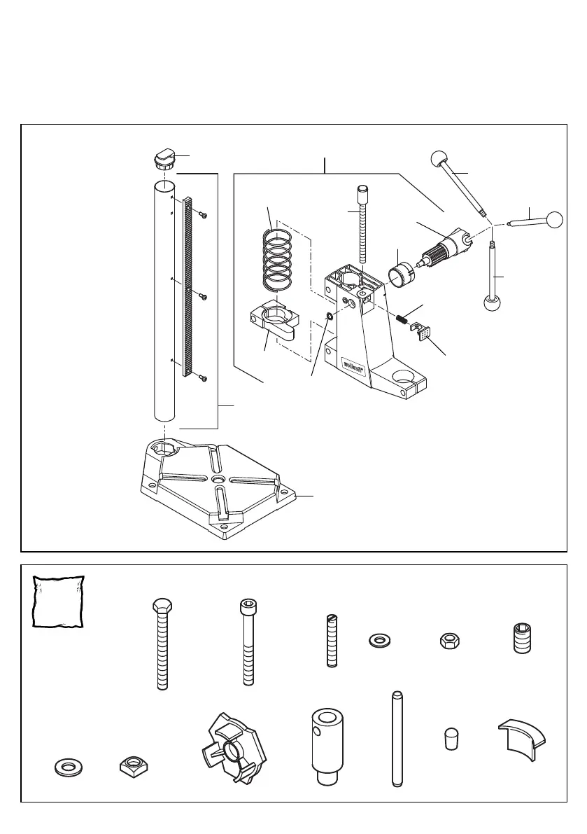
1x2x 2x 4x
3x
A 8,4
DIN 125
3x
M 8
DIN 557
1x
13
l Ersatzteilliste
t Spare parts list
p Liste de pièces de rechange
n Lista de recambios
L Lijst met reserveonderdelen
y Elenco pezzi di ricambio
M Lista de peças sobresselentes
m Liste over reservedele
S Reservdelslista
q Varaosaluettelo
K Reservdelsliste
N Lista części zamiennych
v Κατλογοσ ανταλλακτικν
W Yedek parça listesi
k Seznam náhradních dílů
w Pótalkatrész lista
P Componente de schimb
e Лист с резервни части
x Popis nadomjesnih dijelova
r Список запчастей
l Bestell Nr.
t Purchase order no.
p de comm.
n Ref. No.
L Bestelnr.
y Cod. ord.
M N° de encomenda
m Best. nr.
S Bestr.
q Tilaus-no
K Bestillingsnr.
N Numer zamówienia
v Αριθµσ παραγγελασ
W Sipariş no.
k Objednací číslo
w Bendelési szám
P Număr de comandă
e Номер за поръчка
x Broj za narudžbu
r Номер заказа
115980112
119800099
116 61013 4
115980113
116 61013 3
118110009
116 72012 8
116620164
117620022
117620017
116430175
116650176
119905027
5027
2x
M 6 x 60
DIN 933
2x
M 6 x 55
DIN 912
1x
M 6 x 35
DIN 551
1x
M 10 x 16
DIN 913
1x
A 6,4
DIN 125
3x
M 6
DIN 934
119800107
119800107
119800107
Bdal 5027.000_116305027 13.04.2010 12:41 Uhr Seite 13

Related product manuals