EasyManua.ls Logo

Woods RT48.30E - Page 32

Woods RT48.30E
42 pages
Print Icon
To Next Page IconTo Next Page
To Next Page IconTo Next Page
To Previous Page IconTo Previous Page
To Previous Page IconTo Previous Page
Loading...
Parts 32
MAN1249 (2/28/2018)
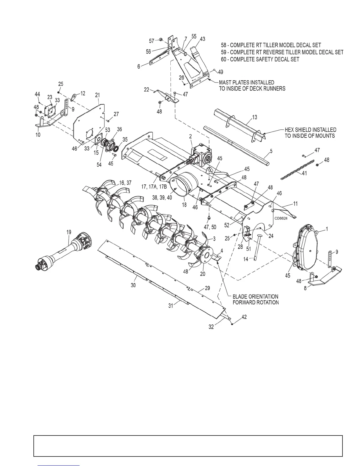
RT/RTR60.40E & RT/RTR72.40E ROTARY TILLER ASSEMBLY
RT/RTR60.40E RT/RTR72.40E
REF PART PART QTY DESCRIPTION
1 1042319 1042319 1 Side drive assembly (See page 34)
2 1042304 1042304 1 Gearbox assembly, 1.46:1 1.50 hex (See page 35)
3 1031934 (14) 1031934 (18) Speed blade, RH
4 1031935 (14) 1031935 (18) Speed blade, LH
5 104391160 104391172 1 Hex shaft - 1.50
6 1043901 1043901 1 Mast plate, right
7 1043902 1043902 1 Mast plate, left
8 1043903 1043903 1 Skid shoe, left
9 1043904 1043904 2 Link, bolt on
10 1043905 1043905 1 Skid shoe, right

Related product manuals