EasyManua.ls Logo

Woods TS44 - Page 30

Woods TS44
40 pages
Print Icon
To Next Page IconTo Next Page
To Next Page IconTo Next Page
To Previous Page IconTo Previous Page
To Previous Page IconTo Previous Page
Loading...
30 Parts
MAN0814 (3/11/2010)
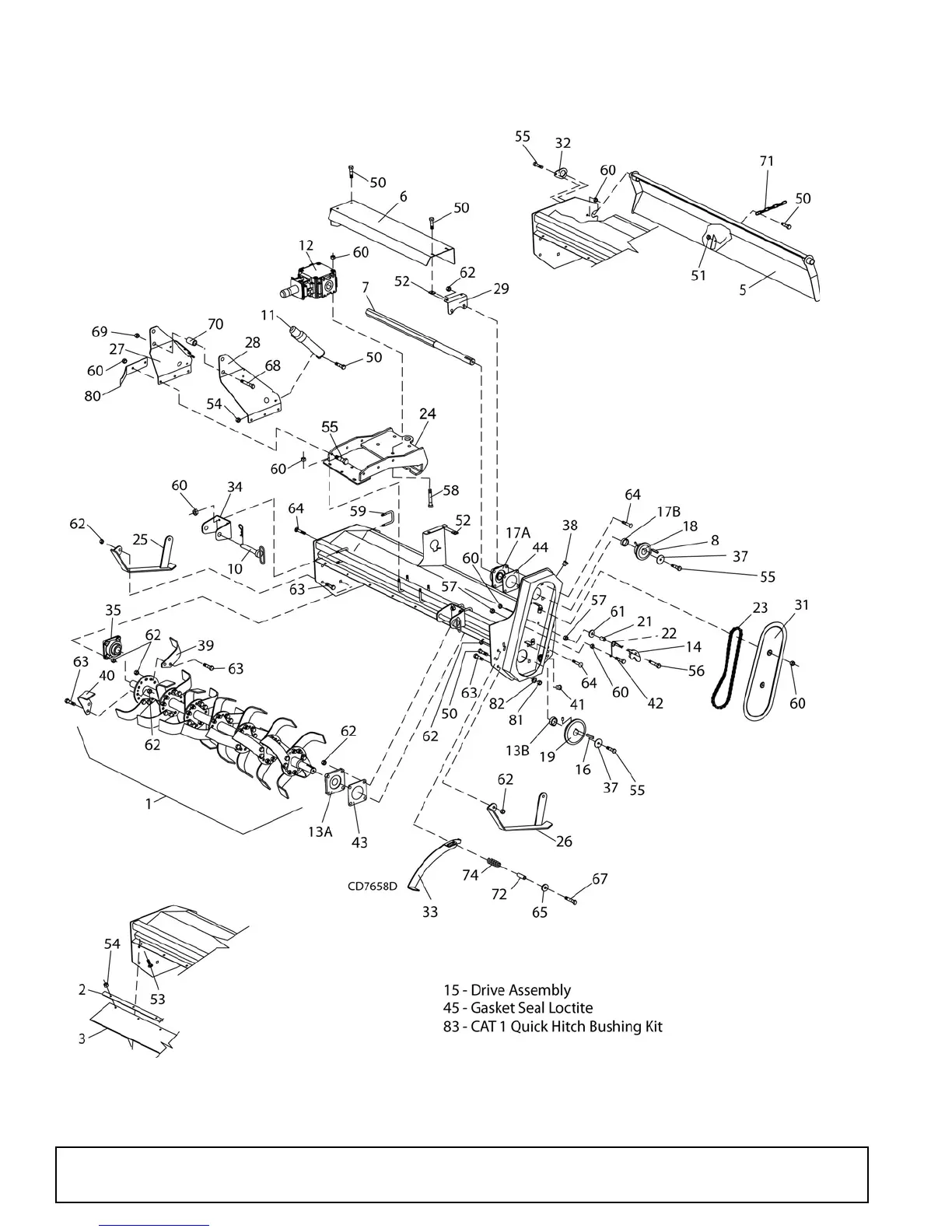
TS52/TSR52 ROTARY TILLER ASSEMBLY
(Rev. 8/21/2012)

Related product manuals