EasyManua.ls Logo

Woods TS52 - TS52;TSR52 ROTARY TILLER ASSEMBLY

Woods TS52
40 pages
Print Icon
To Next Page IconTo Next Page
To Next Page IconTo Next Page
To Previous Page IconTo Previous Page
To Previous Page IconTo Previous Page
Loading...
30 Parts
MAN0814 (3/11/2010)
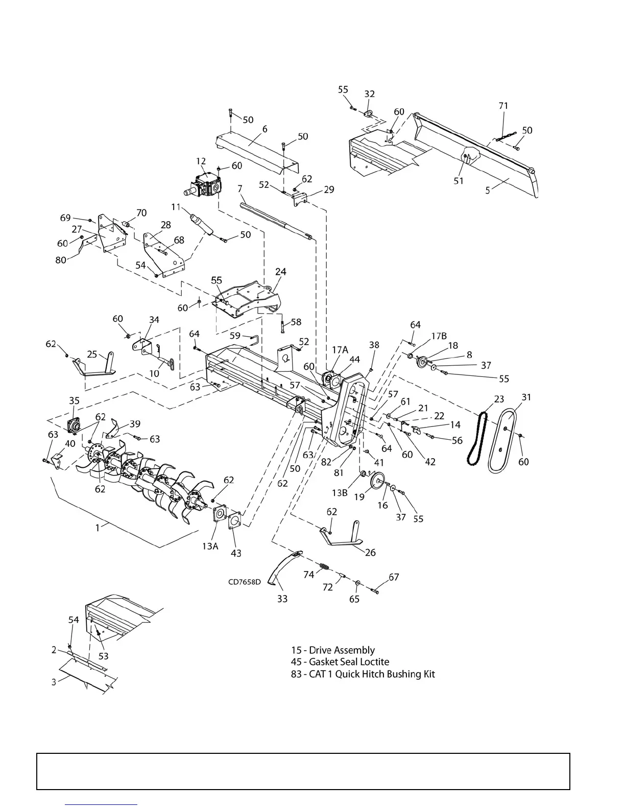
TS52/TSR52 ROTARY TILLER ASSEMBLY
(Rev. 8/21/2012)

Related product manuals