EasyManua.ls Logo

WÖSAB Sirius - Page 5

Default Icon
24 pages
Print Icon
To Next Page IconTo Next Page
To Next Page IconTo Next Page
To Previous Page IconTo Previous Page
To Previous Page IconTo Previous Page
Loading...
5
Li
Lt
L
N
Sk
N
L
Li
Lt
L
N
S
N
L
Li
Lt
L
N
N
L
N
L
Li
Lt
L
N
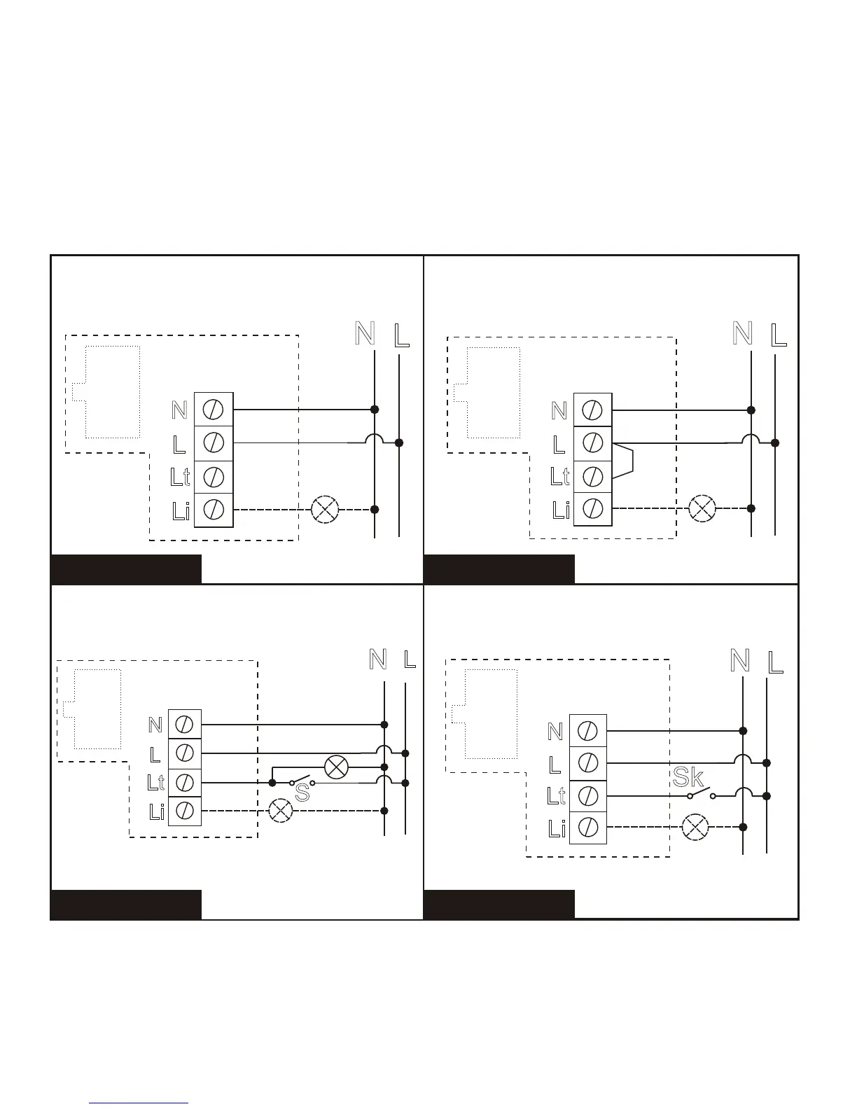
100-240V 50/60Hz
WIRING DIAGRAM / KOPPLINGSSCHEMA
Diagram 1 Diagram 2
Diagram 3
Diagram 4
5