EasyManua.ls Logo

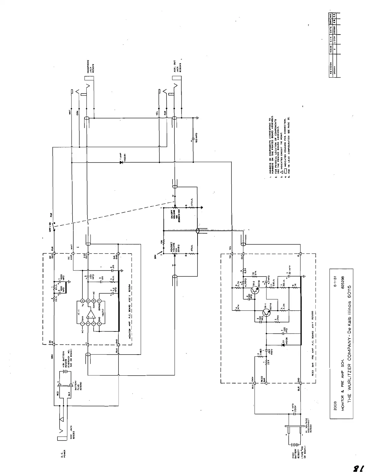
Wurlitzer 200A - Schematic: Monitor & Preamp (Model 200 B)

Wurlitzer 200A
81 pages
Print Icon
To Next Page IconTo Next Page
To Next Page IconTo Next Page
To Previous Page IconTo Previous Page
To Previous Page IconTo Previous Page
Loading...

Related product manuals