EasyManua.ls Logo

Wurtec FALSE CAR NAV2 - Page 43

Wurtec FALSE CAR NAV2
47 pages
Print Icon
To Next Page IconTo Next Page
To Next Page IconTo Next Page
To Previous Page IconTo Previous Page
To Previous Page IconTo Previous Page
Loading...
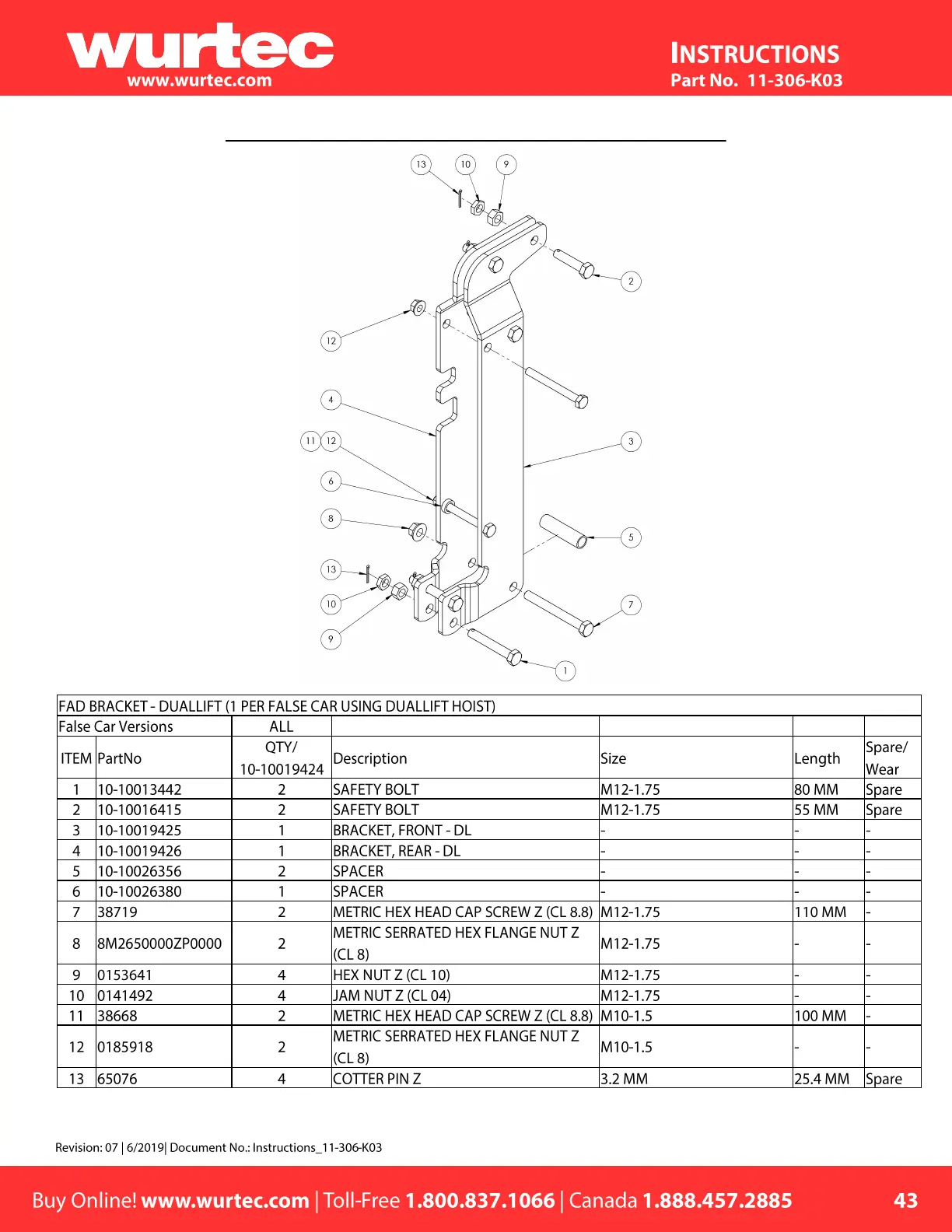
FALL ARREST DEVICE BRACKET - DUALLIFT