EasyManua.ls Logo

Xilin BFC6-8 - Page 10

Xilin BFC6-8
12 pages
Print Icon
To Next Page IconTo Next Page
To Next Page IconTo Next Page
To Previous Page IconTo Previous Page
To Previous Page IconTo Previous Page
Loading...
9
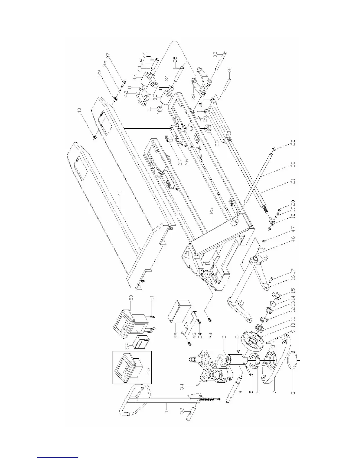
BFC6-7/8 Final assembly drawing and spare parts list