EasyManua.ls Logo

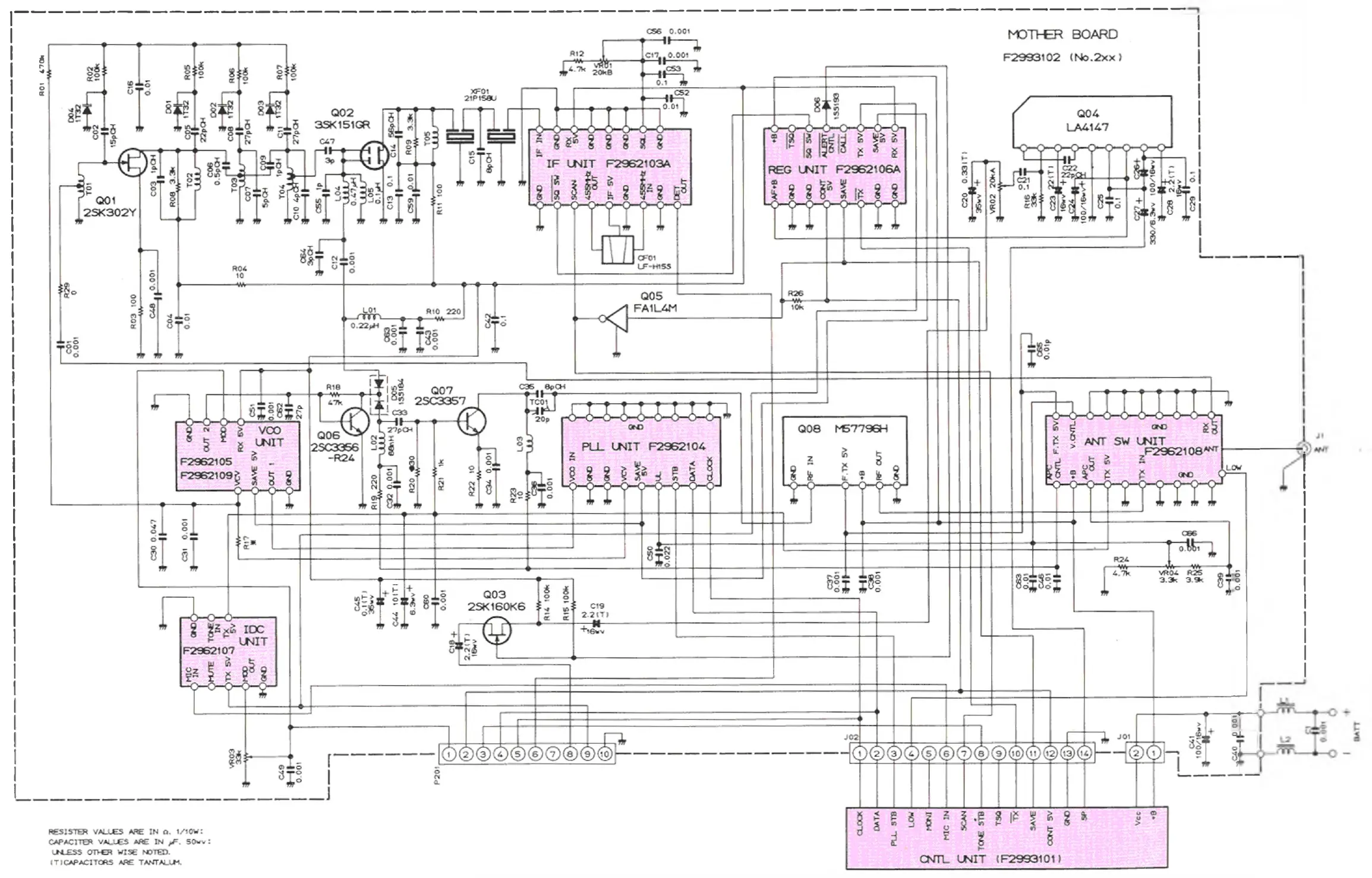
Yaesu FTM-2001 - Page 4

Yaesu FTM-2001
30 pages
Print Icon
To Next Page IconTo Next Page
To Next Page IconTo Next Page
To Previous Page IconTo Previous Page
To Previous Page IconTo Previous Page
Loading...
ROI *70*
00tl 0.001