EasyManua.ls Logo

Yale Veracitor GLC060VX - Parking Brake

Yale Veracitor GLC060VX
204 pages
Print Icon
To Next Page IconTo Next Page
To Next Page IconTo Next Page
To Previous Page IconTo Previous Page
To Previous Page IconTo Previous Page
Loading...
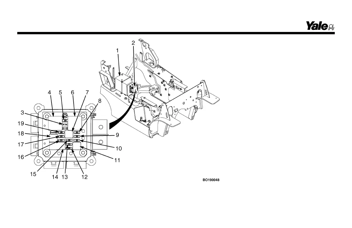
NOTE: HOOD REMOVED FOR CLARITY.
1. BATTERY
2. POWER DISTRIBUTION MODULE (PDM)
3. RESISTOR (68 OHM)
4. START RELAY
5. STARTER (30 AMP FUSE)
6. IGNITION 3 RELAY
7. BACKUP RELAY
8. BACKUP (20 AMP FUSE)
9. IGNITION (30 AMP FUSE)
10. SPARE FUEL PUMP (20 AMP FUSE)
11. SPARE FUEL PUMP RELAY
12. BATTERY (25 AMP FUSE)
13. FRONT WORK LIGHT (20 AMP FUSE)
14. FRONT/REAR WORK LIGHT RELAYS
15. BATTERY (25 AMP FUSE)
16. REAR WORK LIGHT (20 AMP FUSE)
17. IGNITION 1 (20 AMP FUSE)
18. IGNITION RELAY
19. BATTERY (25 AMP FUSE)
Figure 34. PDM Showing Fuses and Relays
Maintenance
158

Table of Contents