EasyManua.ls Logo

Yamaha 70B - Page 32

Yamaha 70B
204 pages
Print Icon
To Next Page IconTo Next Page
To Next Page IconTo Next Page
To Previous Page IconTo Previous Page
To Previous Page IconTo Previous Page
Loading...
2-11
SPEC
E
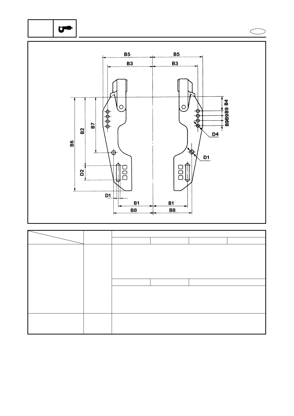
MAINTENANCE SPECIFICATIONS
Unit
Model
50 hp 60 hp 70 hp 75, 80, 90 hp
B1 mm (in) 125.4 (4.9)
B2 mm (in) 254 (10.0)
B3 mm (in) 163.5 (6.4)
B4 mm (in) 50.8 (2.0)
B5 mm (in) 180 (7.1)
B6 S mm (in) 329 (13.0)
L, X 351 (13.8)
B7 mm (in) 138.1 (5.4)
B8 mm (in) 203.2 (8.0)
B9 mm (in) 18.5 (0.7)
D1 mm (in) 13 (0.5)
D2 mm (in) 55.5 (2.2)
D4 mm (in) 12 (0.5)

Table of Contents

Other manuals for Yamaha 70B

Related product manuals