EasyManua.ls Logo

Yamaha EF2600 - Page 232

Yamaha EF2600
236 pages
Print Icon
To Next Page IconTo Next Page
To Next Page IconTo Next Page
To Previous Page IconTo Previous Page
To Previous Page IconTo Previous Page
Loading...
- 105 -
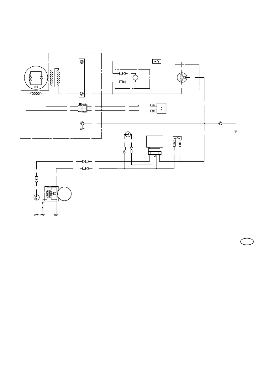
AS00751
1 Conjunto del generador
2 Conjunto del rotor
3 Bobina principal
4 Bobina secundaria
5 Voltímetro
6 Interruptor de CA
(interruptor desprovisto de
fusible)
7 Toma de CA
8 Condensador
9 Terminal de tierra
(masa)
0 Interruptor del motor
q Unidad de nivel de aceite
w Piloto de aviso de nivel de
aceite
ES
e Interruptor de com-
probación del nivel
de aceite
r Unidad TCI
t Bujía
Codigo de colores
B Negro
Br Marrón
G Verde
L Azul
R Rojo
Y Amarillo
B/W Negro/Blanco
G/Y Verde/Amarillo
DIAGRAMA DEL CABLEADO
AC00751
接线图
1 定子组件
2 转子组件
3 主线圈
4 子线圈
5 电压表
6 交流电开关
(无保险丝断路器)
7 交流电插座
8 电容器
9 接地端子
0 发动机开关
q 油报警单元
w 油量警报灯
e 油位开关
r T.C.I. 单元
t 火花塞
颜色代码
B黑
Br 棕色
G绿
L蓝
R红
Y黄
B/W 黑色 / 白色
G/Y 绿色 / 黄色
B
B
B
B
B
B
L
Y
G
G
G
V
G
G
G
G
G
G
G
YL
Br
Br
Br
G/Y
G/Y
R
Br
R
G/Y
R R
B/W
B/WB/W
B/W
B/W
B/W
770-048a
1
2
3
4
5
6
7
8
9
0
w
q
e
r
t
EF2600
7C3-F8199-U0B0_p69-108 12/1/31 10:04 AM Page 105

Table of Contents

Related product manuals